Kawasaki LTD REAR HUB/CHAIN Diagram
#
Description
Price
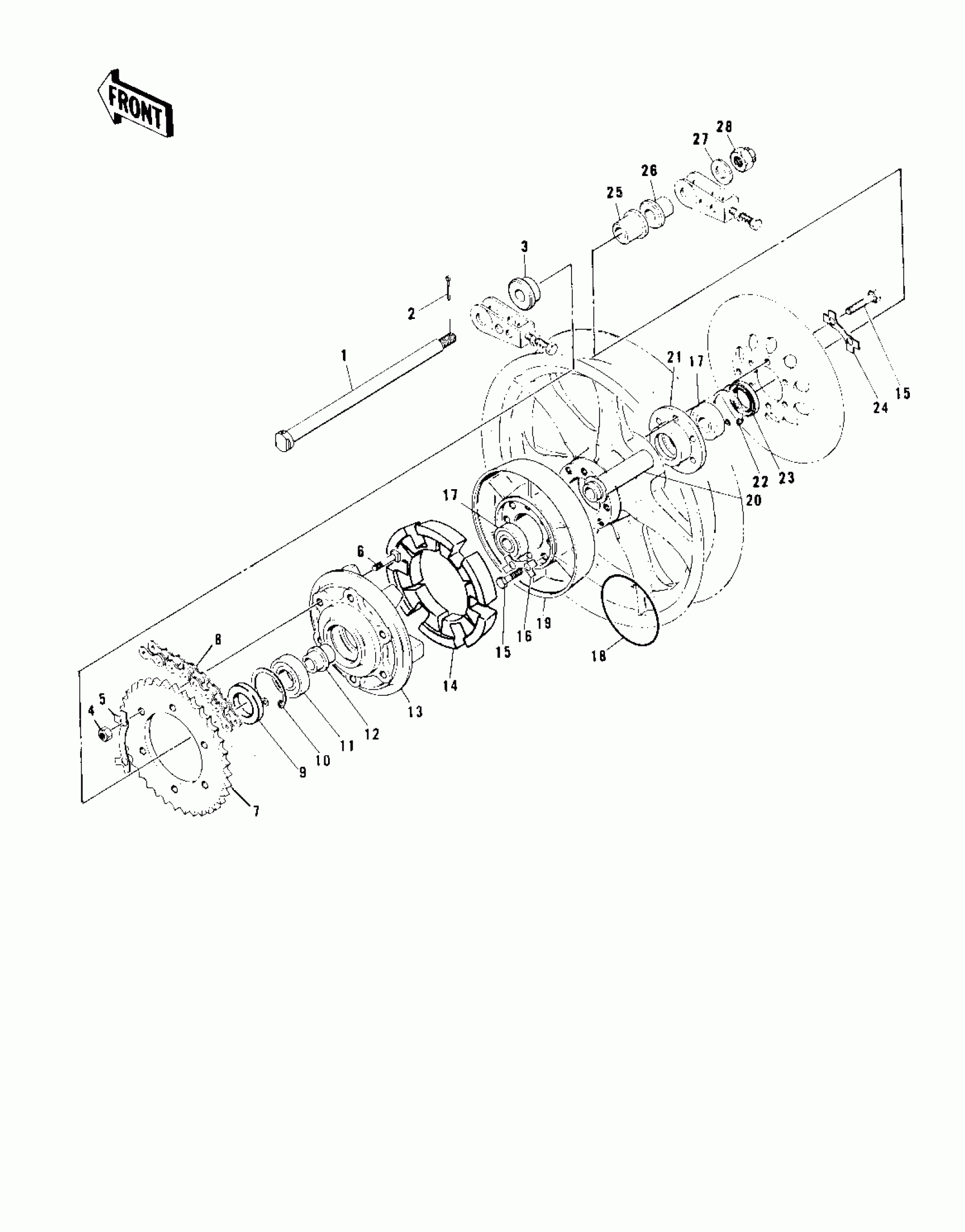
5
WASHER,LOCK
92088-031
Unavailable
7
SPROCKET
42041-171
Unavailable
8
DR CHAIN 630X92
92057-107
Unavailable
15
BOLT
92001-183
Unavailable
23
OIL SEAL TC26388
92052-008
Unavailable
24
WASHER,LOCK
92088-032
Unavailable
25
COLLAR,REAR AXLE
42032-061
Unavailable
