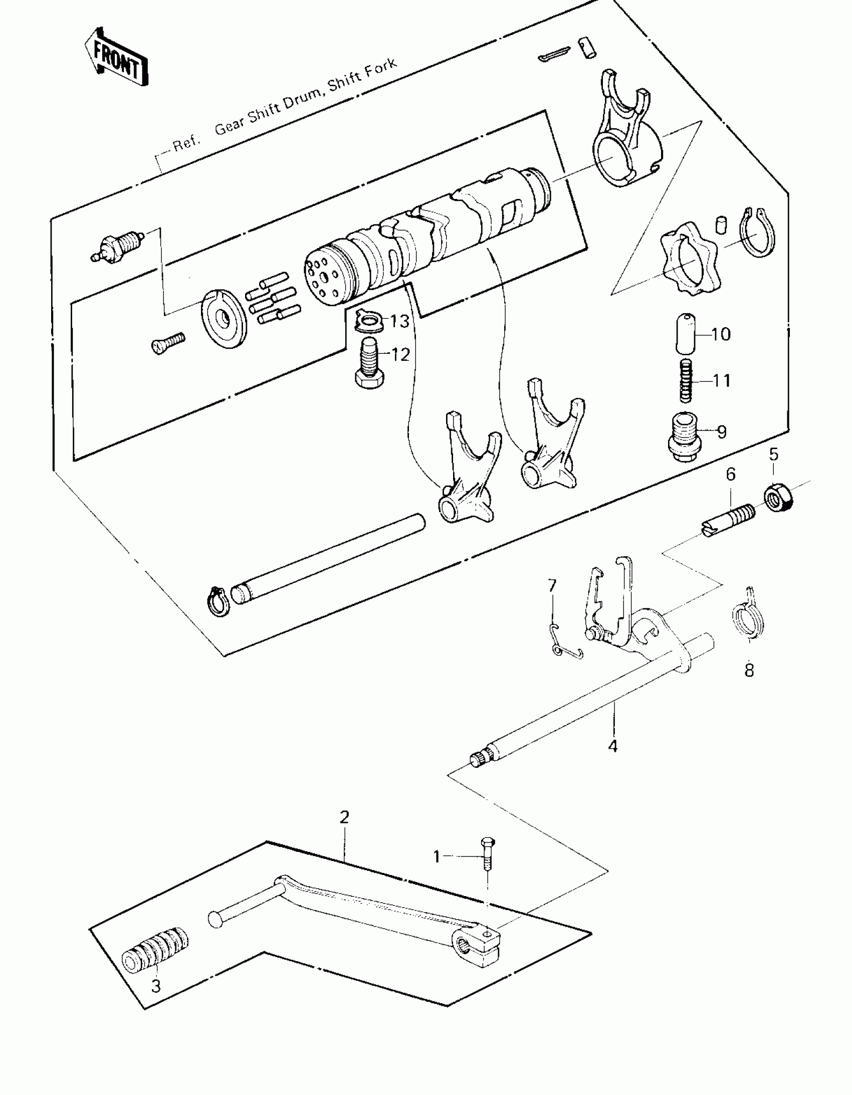
Kawasaki LTD II GEAR CHANGE MECHANISM Diagram
#
Description
Price
2
LEVER-ASSY-CHANGE
13242-1100
Unavailable
6
PIN CHANGE PEDAL SPRG
92043-057
Unavailable
8
SPRING,CHG PEDL RTRN
92083-028
Unavailable
13
WASHER,LOCK
92024-047
Unavailable
