- Partiron
- OEM Parts
- Suzuki
- All Terrain Vehicle
- 2001
- LT80 (2001)
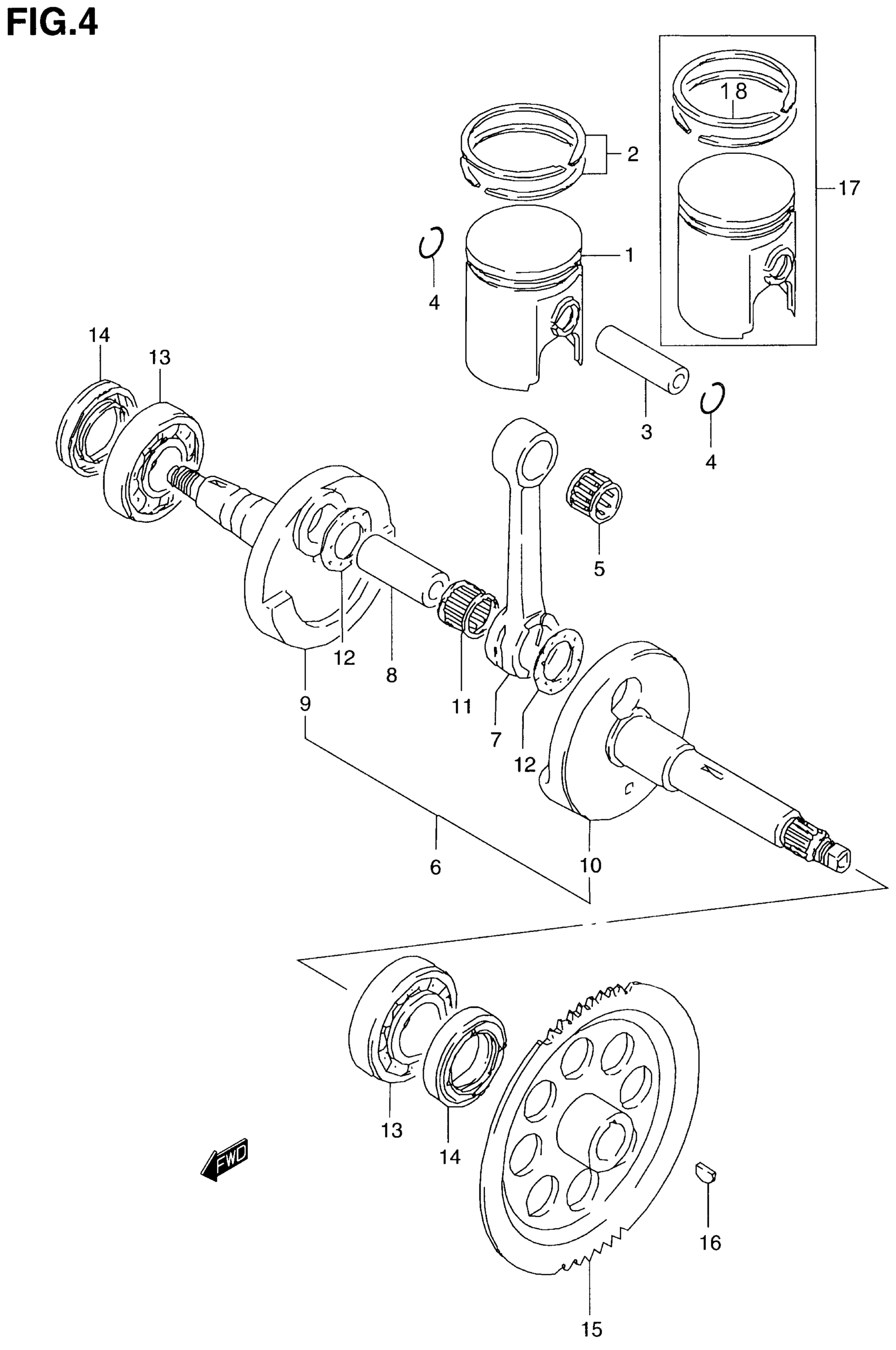
CRANKSHAFT
Suzuki LT80 (2001) CRANKSHAFT Diagram
#
Description
Price
9
CRANKSHAFT, RH
12221-29A00
Unavailable
18
RING SET (OS: 0.5) | OPT
12140-43B30-050
Unavailable
18
RING SET (OS: 1.0) | OPT
12140-43B30-100
Unavailable
