- Partiron
- OEM Parts
- Suzuki
- All Terrain Vehicle
- 1990
- LT500RL (1990)
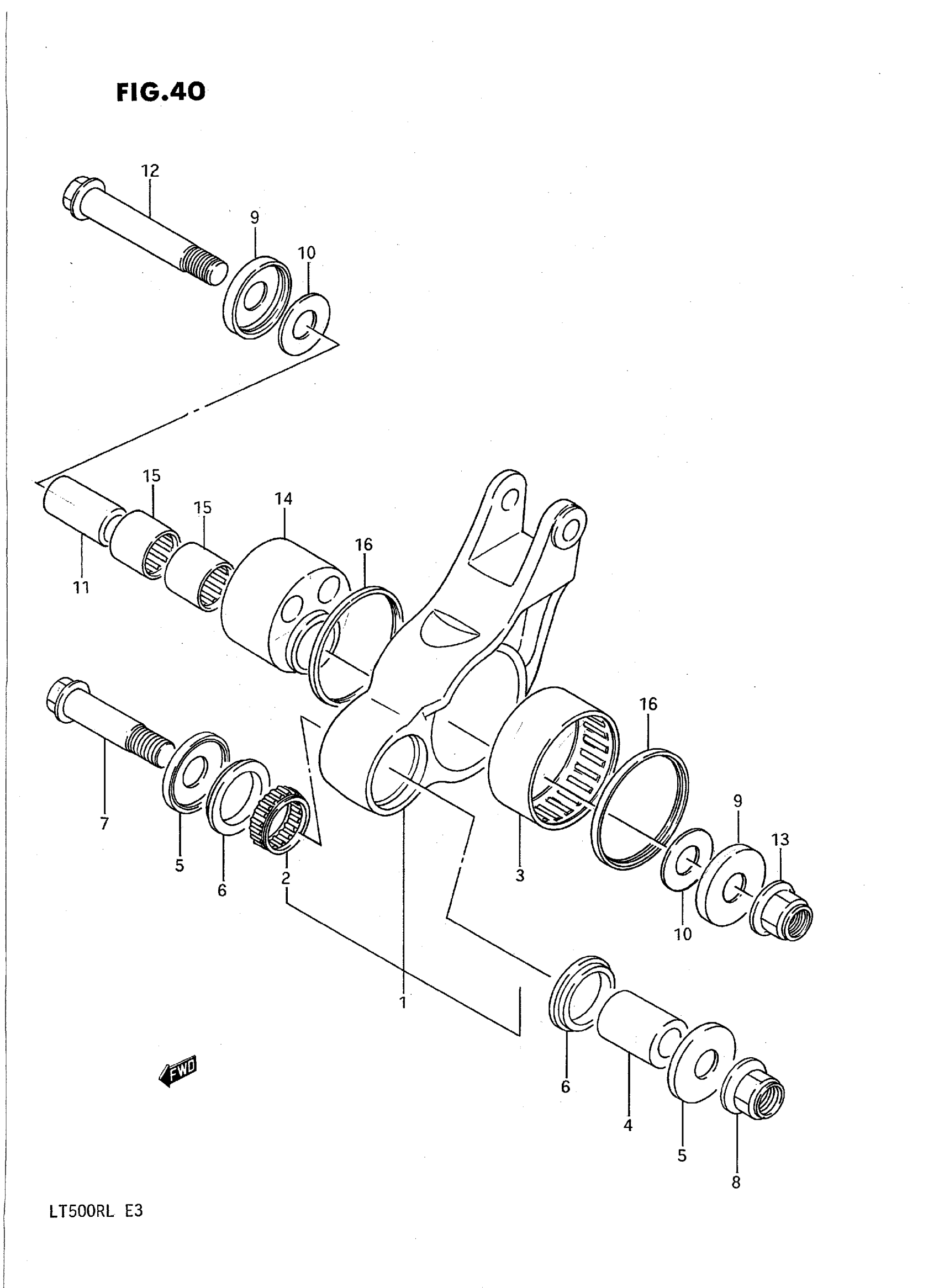
CUSHION LEVER
Suzuki LT500RL (1990) CUSHION LEVER Diagram
#
Description
Price
1
NO DESCRIPTION AVAILABLE | Includes Item(s) 2 - 3 This part replaces 62600-43840.
62600-43841
Unavailable
2
BEARING
09263-25050
Unavailable
3
BEARING
09263-55001
Unavailable
4
SPACER, FRONT
62317-43B00
Unavailable
5
SEAL, DUST
62647-43B10
Unavailable
6
SPACER
62316-43B00
Unavailable
7
BOLT, FRONT
62658-01B00
Unavailable
9
SEAL This part replaces 62683-01B00.
62683-27C01
Unavailable
11
SPACER, CENTER
62646-01B00
Unavailable
12
SHAFT
62621-01B00
Unavailable
14
SPACER, ECCENTRIC
62623-01B00
Unavailable
16
SEAL, DUST
62624-01B01
Unavailable
