- Partiron
- OEM Parts
- Suzuki
- All Terrain Vehicle
- 1987
- LT50 (1987)
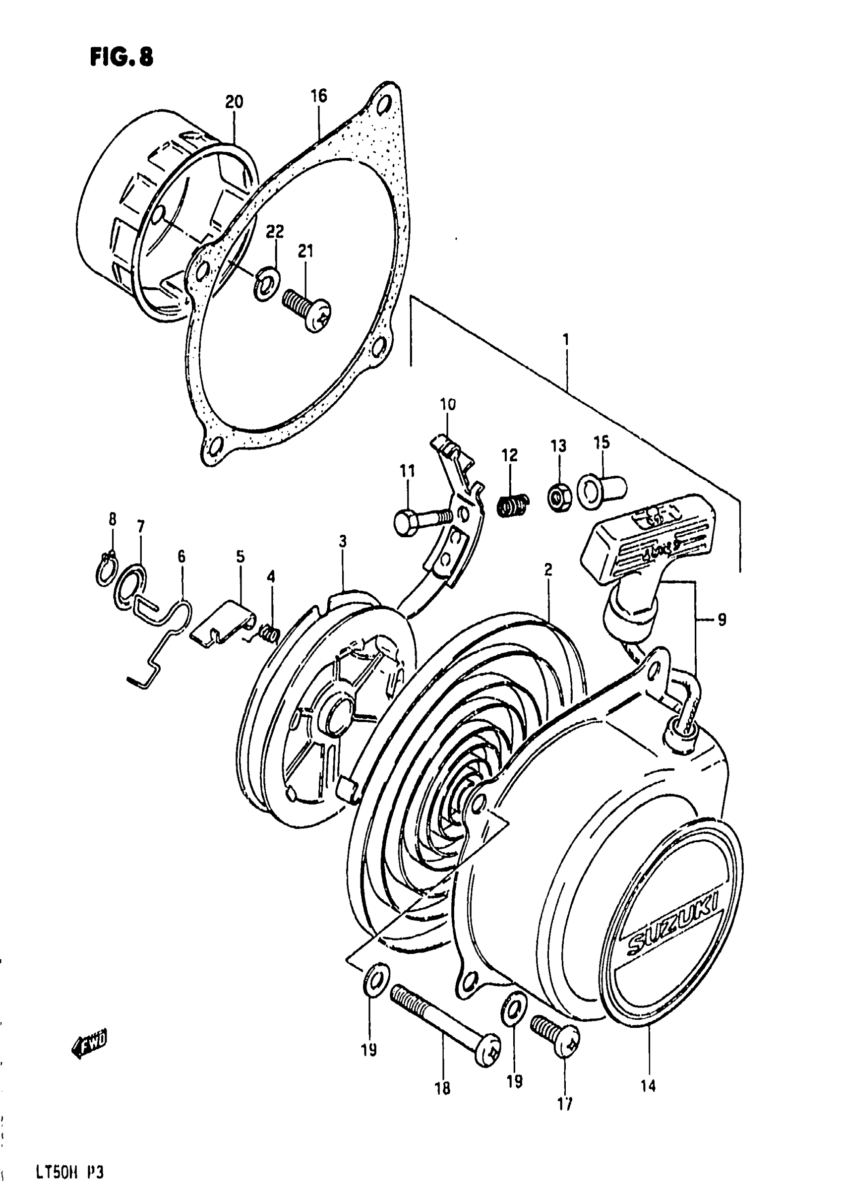
RECOIL STARTER
Suzuki LT50 (1987) RECOIL STARTER Diagram
#
Description
Price
1
STARTER ASSY, RECOIL | Includes Item(s) 2 - 15 This part replaces 18100-04413.
18100-04419
$184.49
