Partiron

Yamaha LT3MX (LT3MX) LT20 1973 SHIFTER A Diagram

#

Description
Price

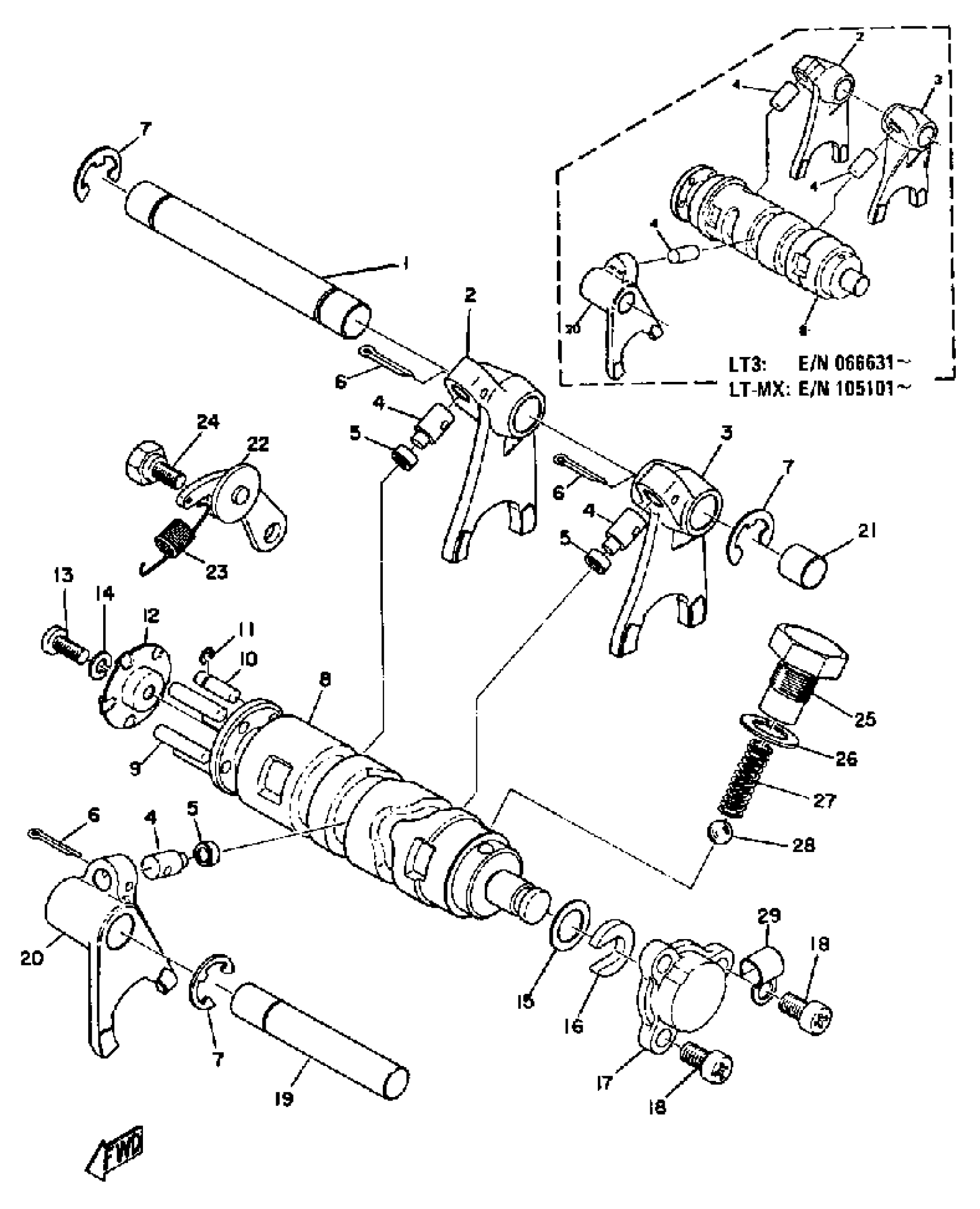
1

BAR, SHIFT FORK GUIDE 1

214-18531-00-00

Unavailable

2

FORK, SHIFT 3

463-18513-00-00

Unavailable

3

FORK, SHIFT 1

463-18511-00-00

Unavailable

4

PIN,SPEC'L SHAPE

90249-05035-00

Unavailable

4

PIN, STRAIGHT

90250-08017-00

Unavailable

5

PIN,SPEC'L SHAPE

90249-05035-00

Unavailable