- Partiron
- OEM Parts
- Yamaha
- motorcycle
- 1973
- LT3MX (LT3MX) LT20 1973
ELECTRICAL
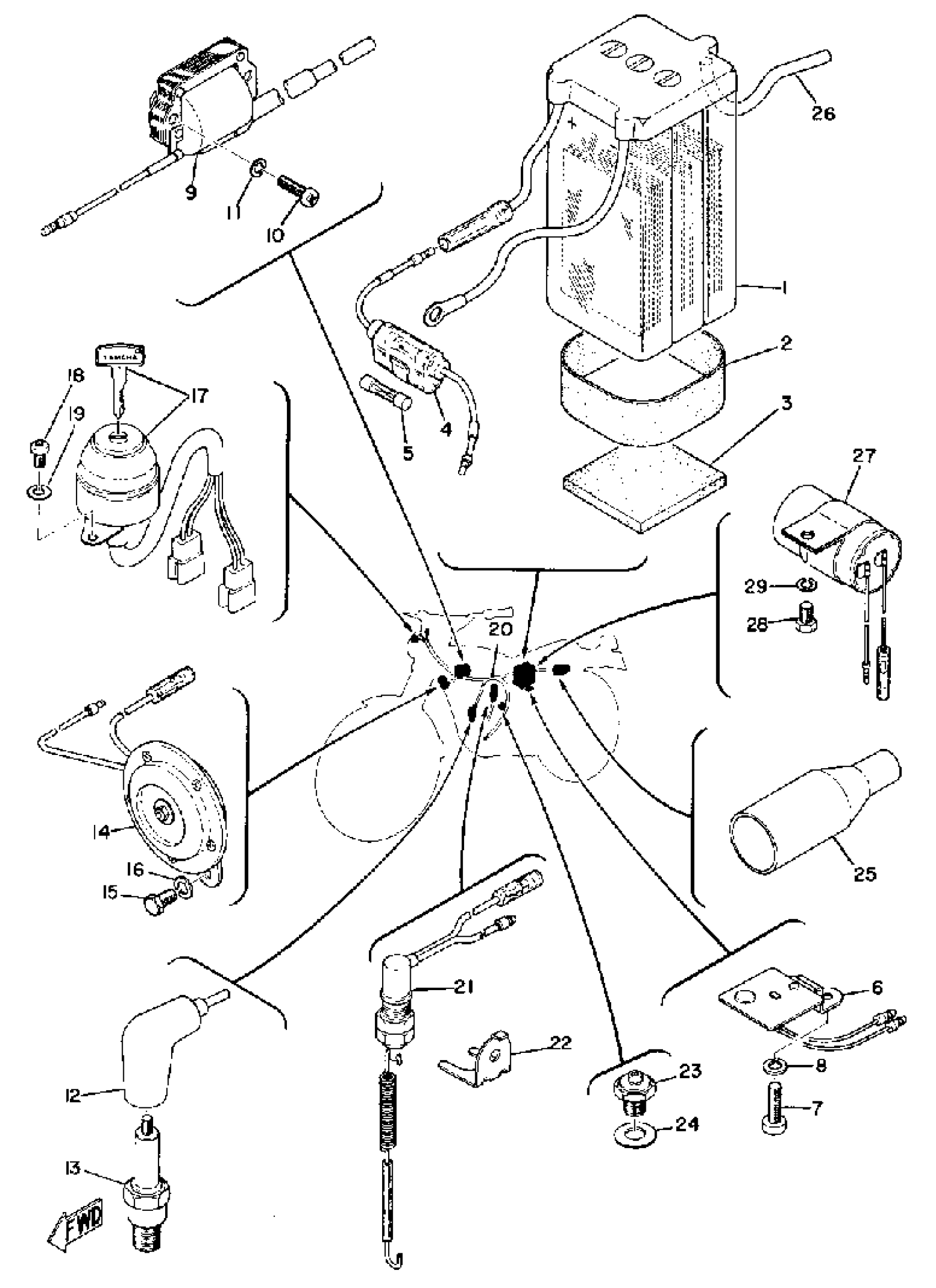
Yamaha LT3MX (LT3MX) LT20 1973 ELECTRICAL Diagram
#
Description
Price
1
6N4A4D YUASA BATTERY
6N4-A4DY0-00-00
Unavailable
2
BAND, BATTERY
214-82124-00-00
Unavailable
6
RECTIFIER ASSY
315-81970-61-00
Unavailable
7
SCREW, PAN HEAD(62X)
97885-05010-00
Unavailable
9
IGNITION COIL ASSY
304-82310-30-00
Unavailable
11
WASHER, SPRING
92995-06100-00
Unavailable
13
B7HS NGK 4PK
B7H-S0000-00-00
Unavailable
13
NGK SPARK PLUG B8HN
NGK-B8HN0-00-00
Unavailable
14
HORN
266-83371-12-00
Unavailable
15
BOLT (661)
97013-06012-00
Unavailable
16
WASHER, SPRING
92995-06100-00
Unavailable
17
MAIN SWITCH ASSY
304-82508-20-00
Unavailable
18
SCREW, PAN HEAD(62X)
97885-05010-00
Unavailable
20
WIRE HARNESS ASSY
305-82590-20-00
Unavailable
21
STOP SWITCH ASSY
307-82530-09-00
Unavailable
22
STAY, STOP SWITCH
248-82539-00-00
Unavailable
23
NEUTRAL SWITCH ASSY
136-82540-03-00
Unavailable
24
WASHER, PLATE
90201-12790-00
Unavailable
25
COVER, CONNECTER
214-82599-00-00
Unavailable
26
PIPE, BREATHER
170-82112-00-00
Unavailable
27
FLASHER RELAY ASSY
115-83350-62-00
Unavailable
28
BOLT (661)
97013-06012-00
Unavailable
29
WASHER, SPRING
92995-06100-00
Unavailable
