- Partiron
- OEM Parts
- Yamaha
- motorcycle
- 1972
- LT2M (LT2M) LT2M 1972
REAR ARM CHAINCASE REAR CUSHION
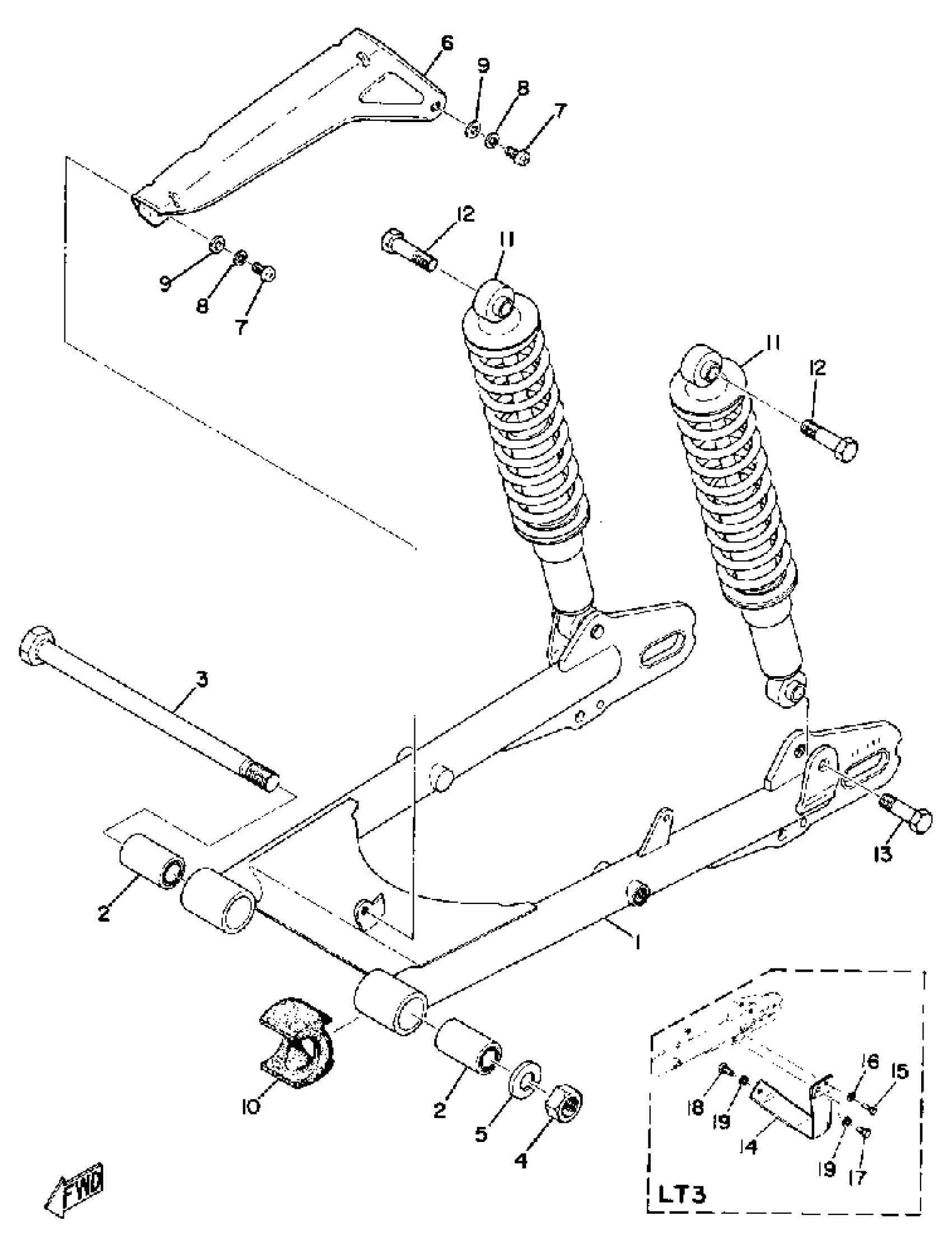
Yamaha LT2M (LT2M) LT2M 1972 REAR ARM CHAINCASE REAR CUSHION Diagram
#
Description
Price
1
REAR ARM
305-22110-00-33
Unavailable
3
SHAFT, PIVOT
276-22141-00-00
Unavailable
6
CASE, CHAIN
304-22311-00-35
Unavailable
7
SCREW, PAN HEAD(62X)
97885-05010-00
Unavailable
9
. WASHER, PLAIN
92990-05200-00
Unavailable
10
SEAL, GUARD
304-22151-00-00
Unavailable
11
SHOCK ABS ASSY, REAR
291-22210-71-00
Unavailable
11
SHOCK ABS ASSY, REAR
305-22210-20-00
Unavailable
12
BOLT, DOME HEAD
90106-10026-00
Unavailable
14
GUARD, CHAIN
248-22318-00-33
Unavailable
15
BOLT, HEXAGON
97017-06020-00
Unavailable
16
WASHER, SPRING
92995-06100-00
Unavailable
17
BOLT(62E)
97013-08012-00
Unavailable
18
BOLT, HEXAGON
97013-08020-00
Unavailable
19
YBS67-8 WASHER, SPRING
92990-08100-00
Unavailable
