- Partiron
- OEM Parts
- Suzuki
- All Terrain Vehicle
- 1990
- LT250S (1990)
REAR SWINGING ARM
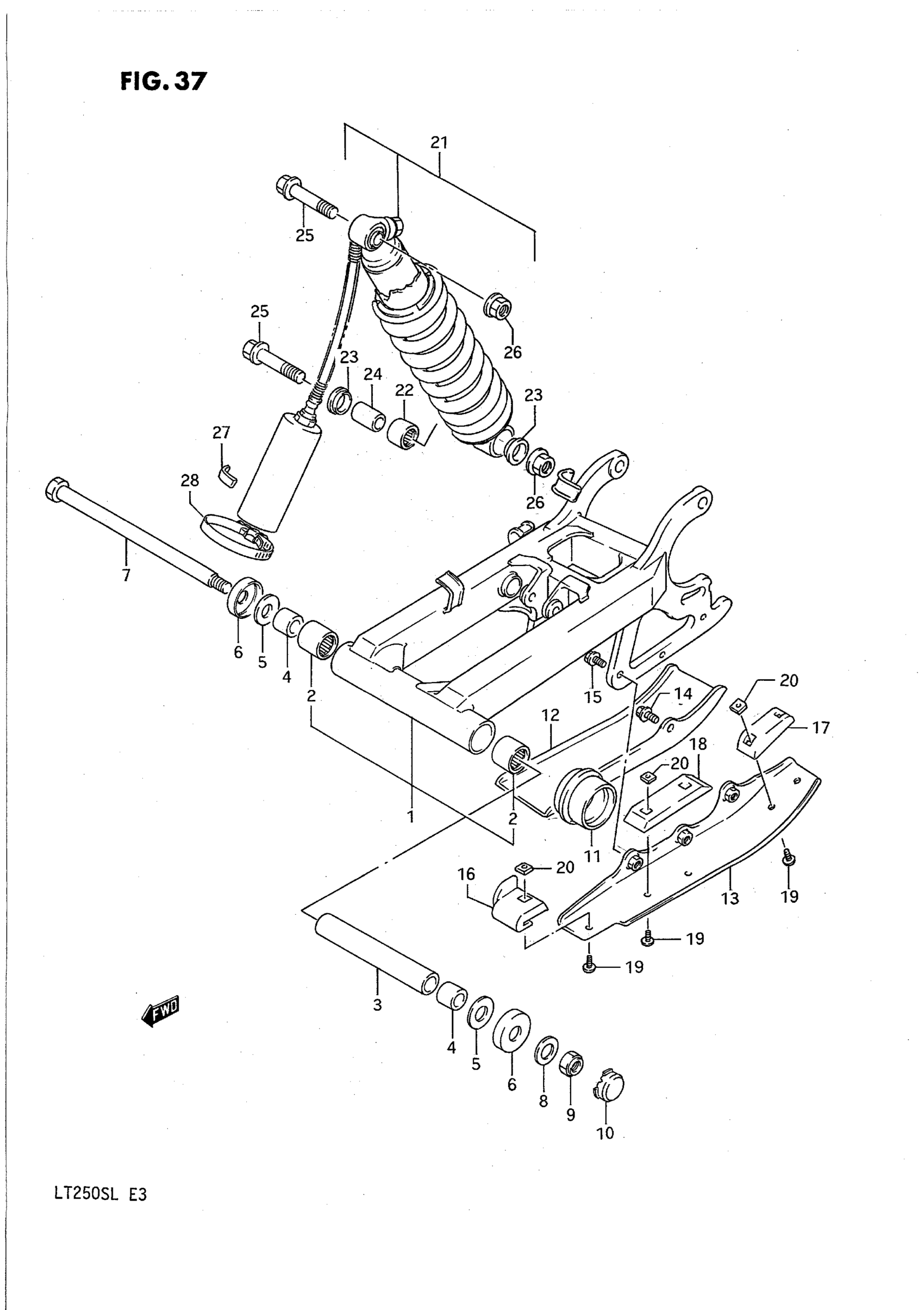
Suzuki LT250S (1990) REAR SWINGING ARM Diagram
#
Description
Price
1
SWINGING ARM ASSY, REAR | Includes Item(s) 2
61000-25C00
Unavailable
3
SPACER, CENTER
61282-22A00
Unavailable
4
SPACER
61251-22A01
Unavailable
7
SHAFT
61211-35B00
Unavailable
10
CAP (BLUE)
61222-13A00-19F
Unavailable
12
GUARD, DISC PLATE
61391-35B00
Unavailable
13
GUARD, SPROCKET
61390-25C00
Unavailable
16
BUFFER, GUARD
61396-19A13
Unavailable
17
BUFFER, GUARD
61397-22A00
Unavailable
18
BUFFER, GUARD
61397-43B01
Unavailable
21
ABSORBER ASSY, REAR SHOCK (WHITE) | Includes Item(s) 22 - 24
62100-25C00-14L
Unavailable
22
BEARING
52188-43B00
Unavailable
24
COLLAR
62187-25C00
Unavailable
25
BOLT (12X56)
09103-12024
Unavailable
27
CUSHION
62423-02B00
Unavailable
