- Partiron
- OEM Parts
- Suzuki
- All Terrain Vehicle
- 1992
- LT250R (1992)
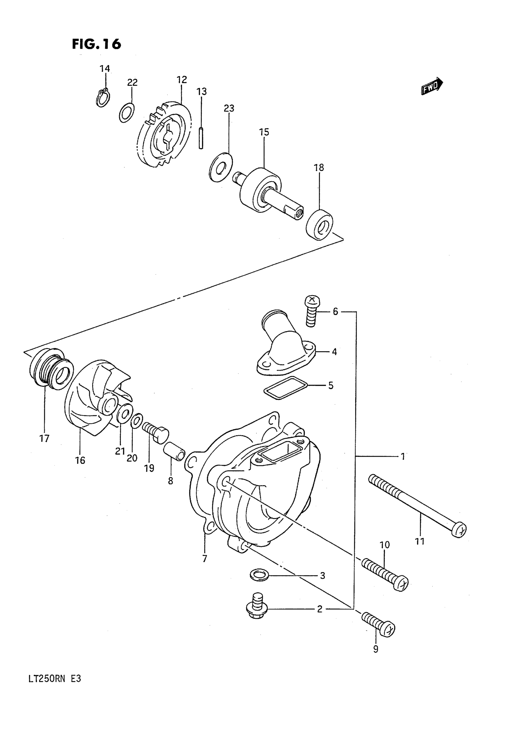
WATER PUMP (MODEL F/G)
Suzuki LT250R (1992) WATER PUMP (MODEL F/G) Diagram
#
Description
Price
1
CASE,WATER PUMP | Includes Item(s) 2 - 6 This part replaces 17410-14310.
17410-1431V
Unavailable
4
CONNECTOR This part replaces 17412-14310.
17412-28E00
Unavailable
7
GASKET, WATER PUMP CASE
17431-14303
Unavailable
12
GEAR, WATER PUMP DRIVEN
17461-13A00
Unavailable
16
IMPELLER, WATER PUMP
17491-14300
Unavailable
