- Partiron
- OEM Parts
- Suzuki
- All Terrain Vehicle
- 1992
- LT250R (1992)
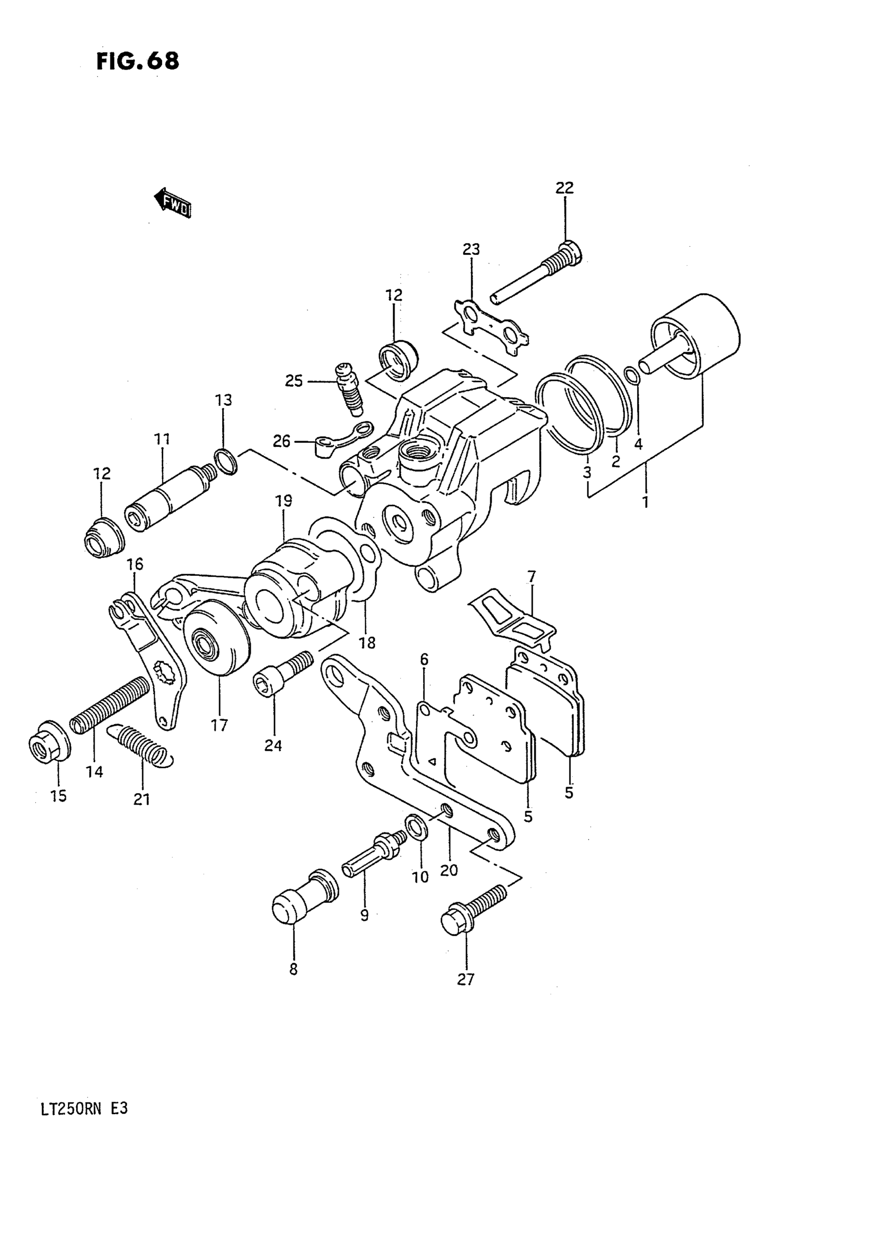
REAR CALIPER (MODEL H/J/K/L/M/N)
Suzuki LT250R (1992) REAR CALIPER (MODEL H/J/K/L/M/N) Diagram
#
Description
Price
NO DESCRIPTION AVAILABLE | Includes Item(s) 1 - 26 This part replaces 69100-01C00.
69100-01C00-999
Unavailable
1
PISTON SET This part replaces 69100-19840.
69100-19841
Unavailable
2
DUST SEAL
59108-13A00
Unavailable
19
BRAKE, PARKING (SILVER)
69320-19A10
Unavailable
20
BRACKET
69351-43B00
Unavailable
27
BOLT
09103-08229
Unavailable
