Partiron

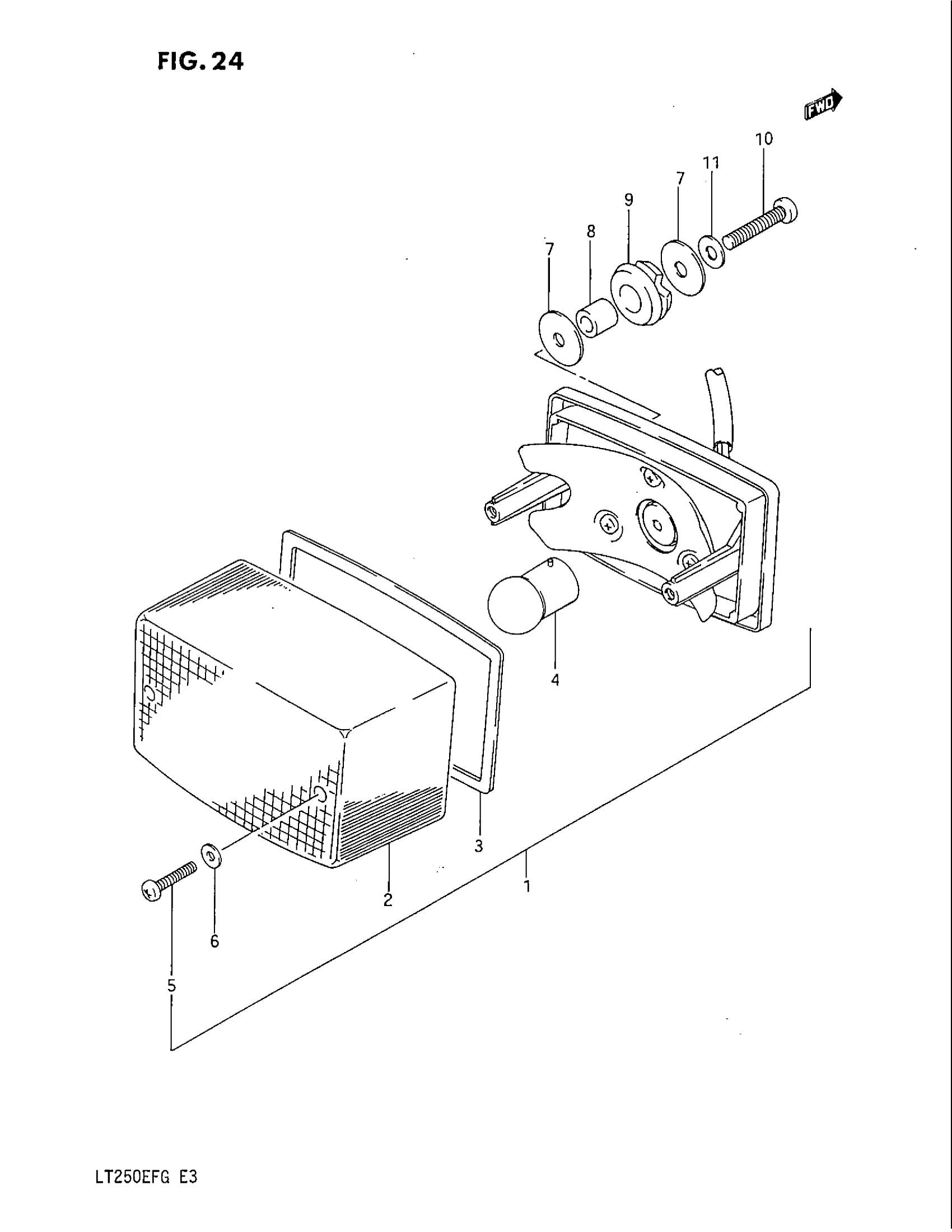
Suzuki LT250EF (1986) TAIL LAMP Diagram

#

Description
Price

1

LAMP ASSY, TAIL | Includes Item(s) 2 - 6

35710-24530

Unavailable

2

LENS,RR COMB This part replaces 35712-24530.

35712-24531

Unavailable

3

GASKET

35713-13600

Unavailable

4

BULB (12V,5W)

09471-12058

$2.33

5

SCREW This part replaces 03211-04208.

03211-04207

$1.49

6

GASKET

35627-43010

$2.28

7

WASHER (5.5X20X1.2) This part replaces 09160-05011.

09160-05501

$1.84

8

SPACER,7.2X10X1 This part replaces 09180-06006.

09180-07019

$2.63

9

CUSHION

09320-09010

$2.84

10

SCREW

03511-05306

Unavailable

11

WASHER, FRONT This part replaces 08322-21056.

08322-0105A

$1.84