- Partiron
- OEM Parts
- Suzuki
- All Terrain Vehicle
- 1986
- LT250EF (1986)
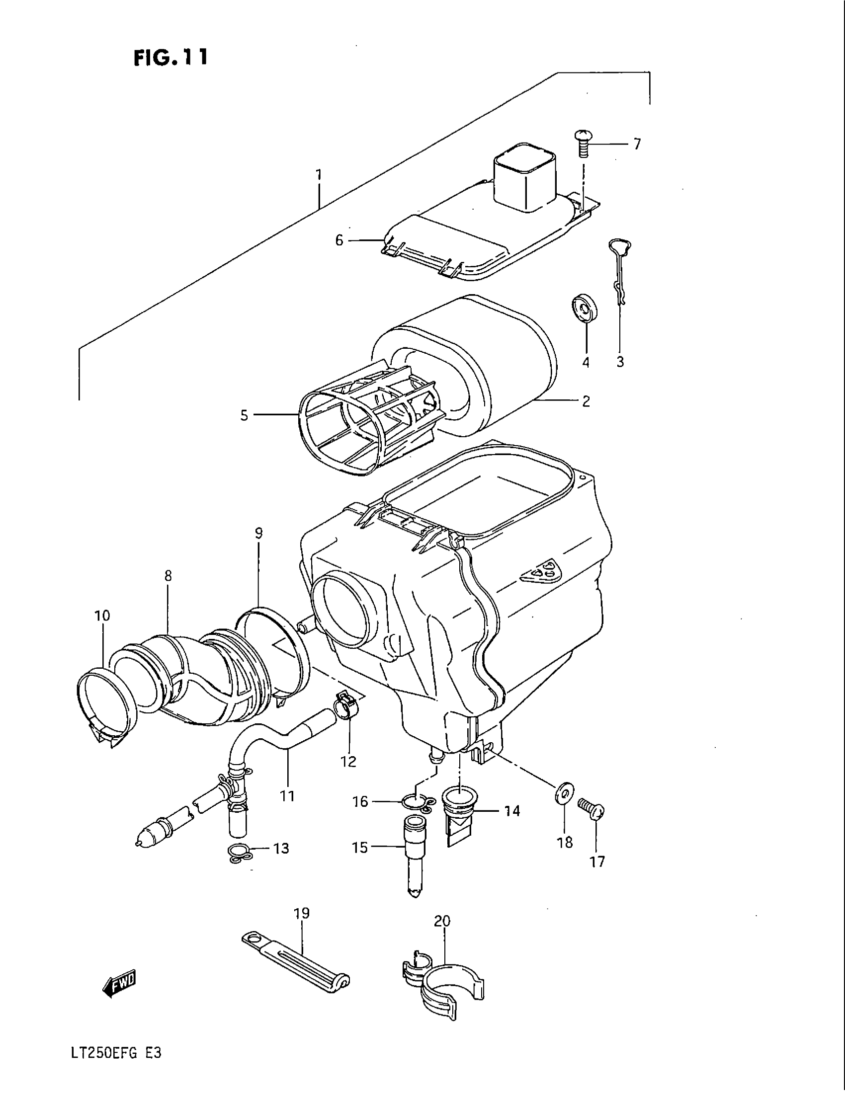
AIR CLEANER
Suzuki LT250EF (1986) AIR CLEANER Diagram
#
Description
Price
1
NO DESCRIPTION AVAILABLE | Includes Item(s) 2 - 16 This part replaces 13700-24501.
13700-24504
Unavailable
2
FILTER
13780-24500
Unavailable
5
HOLDER
13791-24500
Unavailable
6
CAP
13740-24500
Unavailable
8
HOSE, OUTLET
13881-24500
Unavailable
11
NO DESCRIPTION AVAILABLE This part replaces 13850-24500.
13850-24501
Unavailable
14
HOSE, DRAIN (1)
13873-18900
Unavailable
15
NO DESCRIPTION AVAILABLE This part replaces 13870-24500.
13870-18910
Unavailable
20
CLIP
09408-00058
Unavailable
