- Partiron
- OEM Parts
- Suzuki
- All Terrain Vehicle
- 1987
- LT185 (1987)
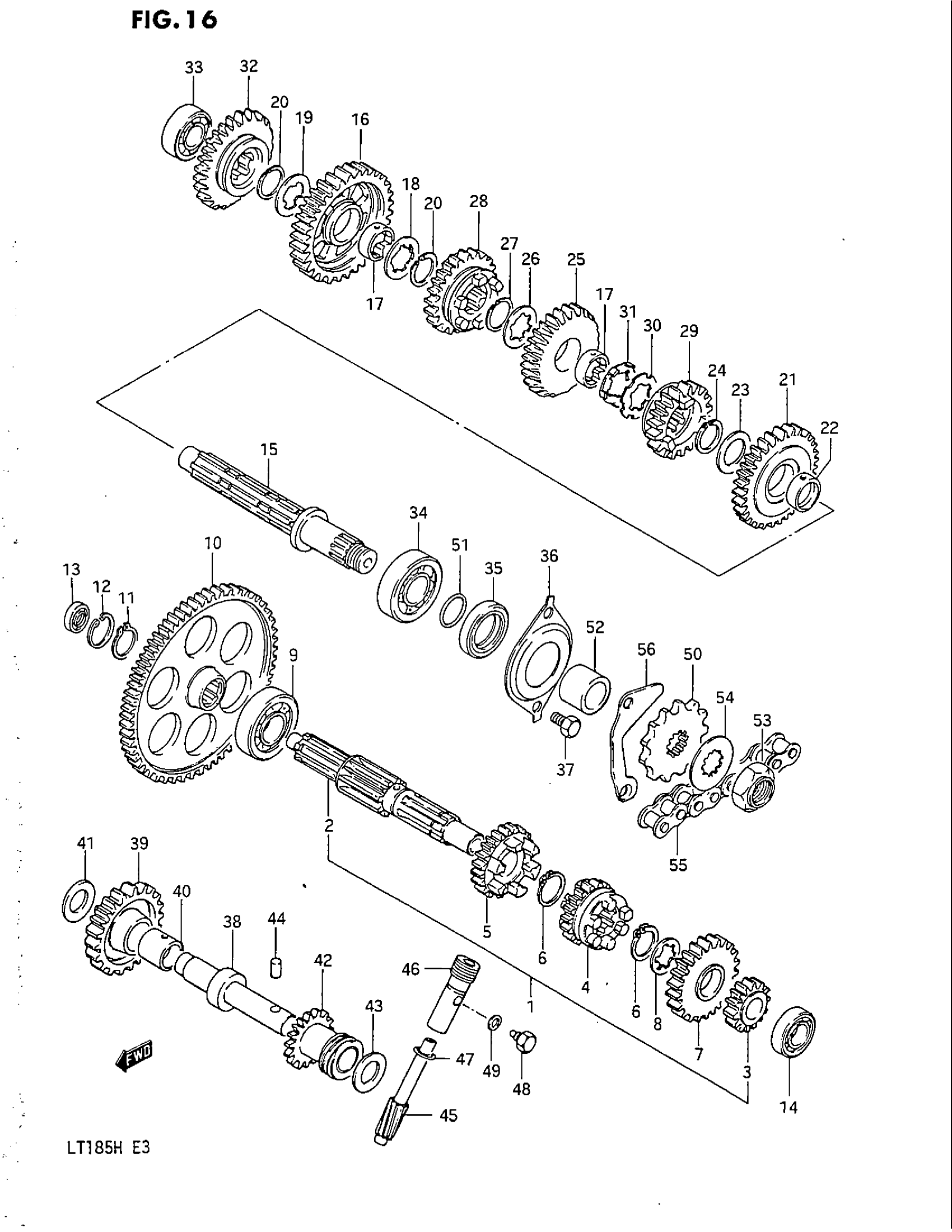
TRANSMISSION (MODEL F)
Suzuki LT185 (1987) TRANSMISSION (MODEL F) Diagram
#
1
COUNTER SHAFT ASSY | Includes Item(s) 2 - 8
24120-24404
Unavailable
2
COUNTER SHAFT (NT:11)
24100-24822
Unavailable
3
GEAR, 2ND DRIVE (NT:14)
24221-24401
Unavailable
4
GEAR, 3RD DRIVE (NT:18)
24231-24405
Unavailable
5
GEAR, 4TH DRIVE (NT:22)
24241-24404
Unavailable
7
GEAR, 5TH DRIVE (NT:25)
24251-24402
Unavailable
10
GEAR, PRIMARY DRIVEN (NT:71) This part replaces 21211-24300.
21211-24301
Unavailable
12
CIRCLIP This part replaces 08331-41209.
08331-41206
Unavailable
13
OIL SEAL (10X20X5)
09282-10005
Unavailable
15
DRIVE SHAFT
24131-24402
Unavailable
16
GEAR, 1ST DRIVEN (NT:38)
24311-24402
Unavailable
17
BUSH This part replaces 24332-24400.
24332-24401
Unavailable
18
LOCK WASHER,LH
09167-22017
Unavailable
19
LOCK WASHER,RH
09167-22016
Unavailable
21
GEAR, 2ND DRIVEN (NT:35)
24321-24401
Unavailable
25
GEAR, 3RD DRIVEN (NT:31)
24331-24402
Unavailable
26
LOCK WASHER
09167-22017
Unavailable
28
GEAR, 4TH DRIVEN (NT:27)
24341-24403
Unavailable
29
GEAR, 5TH DRIVEN (NT:24)
24351-24402
Unavailable
30
LOCK WASHER
09167-22018
Unavailable
31
LOCK WASHER
09169-22004
Unavailable
32
GEAR, REVERSE DRIVEN (NT:33)
24571-24401
Unavailable
35
OIL SEAL (29X42X6)
09283-29003
Unavailable
36
RETAINER
24751-18900
Unavailable
38
SHAFT, REVERSE IDLER
24550-24400
Unavailable
39
GEAR, REVERSE IDLER
24561-24401
Unavailable
40
BUSH
09300-17010
Unavailable
42
NO DESCRIPTION AVAILABLE This part replaces 26460-24410.
26460-24411
Unavailable
44
PIN This part replaces 06211-04103.
04221-04109
Unavailable
45
GEAR, ODOMETER DRIVEN (NT:10)
26471-24410
Unavailable
46
SLEEVE
26481-24200
Unavailable
50
SPROCKET, ENGINE (NT:12)
27511-24400
Unavailable
52
SPACER (22X29X20.1)
09180-22029
Unavailable
53
NUT
09159-18005
Unavailable
55
NO DESCRIPTION AVAILABLE This part replaces 27600-38250-072.
27600-01C10-072
Unavailable
56
PLATE
27641-24400
Unavailable
