- Partiron
- OEM Parts
- Suzuki
- All Terrain Vehicle
- 1987
- LT185 (1987)
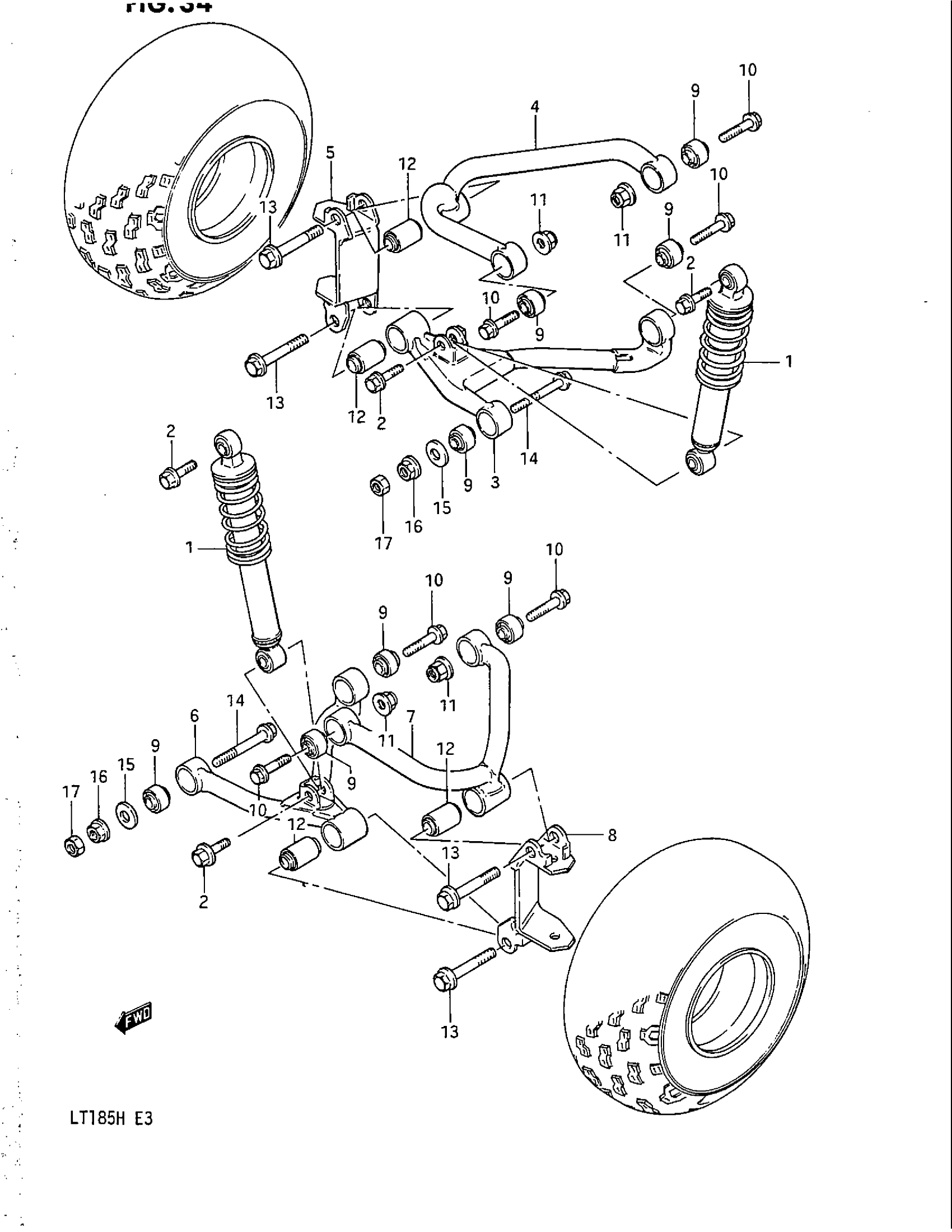
SUSPENSION ARM
Suzuki LT185 (1987) SUSPENSION ARM Diagram
#
Description
Price
1
SHOCK ABSORBER, FRONT | MODEL E This part replaces 52100-24400.
52100-24420
Unavailable
1
SHOCK ABSORBER, FRONT | MODEL F This part replaces 52100-24410.
52100-24420
Unavailable
1
SHOCK ABSORBER, FRONT | MODEL G/H
52100-24420
Unavailable
3
ARM, SUSPENSION LOWER, RH
52410-24400
Unavailable
4
ARM, SUSPENSION UPPER, RH
52430-24400
Unavailable
5
BRACKET, SUSPENSION RH | MODEL E/F This part replaces 51210-24400.
51210-24401
Unavailable
5
BRACKET, SUSPENSION RH | MODEL G/H
51210-24401
Unavailable
6
ARM, SUSPENSION LOWER, LH
52420-24400
Unavailable
7
ARM, SUSPENSION UPPER, LH
52440-24400
Unavailable
8
BRACKET, SUSPENSION LH | MODEL E/F This part replaces 51220-24400.
51220-24401
Unavailable
8
BRACKET, SUSPENSION LH | MODEL G/H
51220-24401
Unavailable
10
BOLT, ARM INNER (10X44) | MODEL E/F
09103-10086
Unavailable
13
BOLT, ARM OUTER
09103-12009
Unavailable
