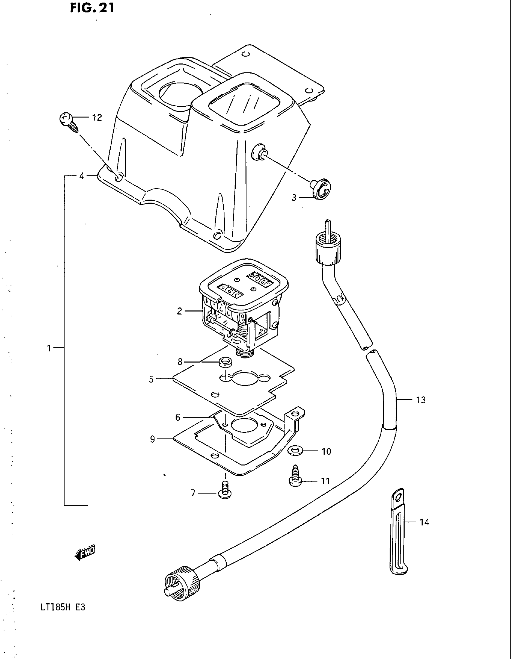
Suzuki LT185 (1987) ODOMETER Diagram
#
Description
Price
1
ODOMETER ASSY (MILE) | MODEL E/F/G
34720-18901
Unavailable
1
ODOMETER ASSY (MILE) | MODEL H; Includes Item(s) 2 - 11
34720-24230
Unavailable
2
ODOMETER
34721-24510
Unavailable
3
KNOB, TRIP
34124-24420
Unavailable
4
HOOD, METER | MODEL E/F/G This part replaces 34722-18900.
34722-24230
Unavailable
4
HOOD, METER | MODEL H
34722-24230
Unavailable
5
CUSHION
34726-18900
Unavailable
6
PLATE, METER
34724-18900
Unavailable
8
SPACER
34187-24500
Unavailable
9
PLATE, METER CASE
34723-18900
Unavailable
13
CABLE ASSY, ODOMETER
34910-18912
Unavailable
