Partiron

Suzuki LT185 (1987) HEADLAMP HOUSING (MODEL F/G/H) Diagram

#

Description
Price

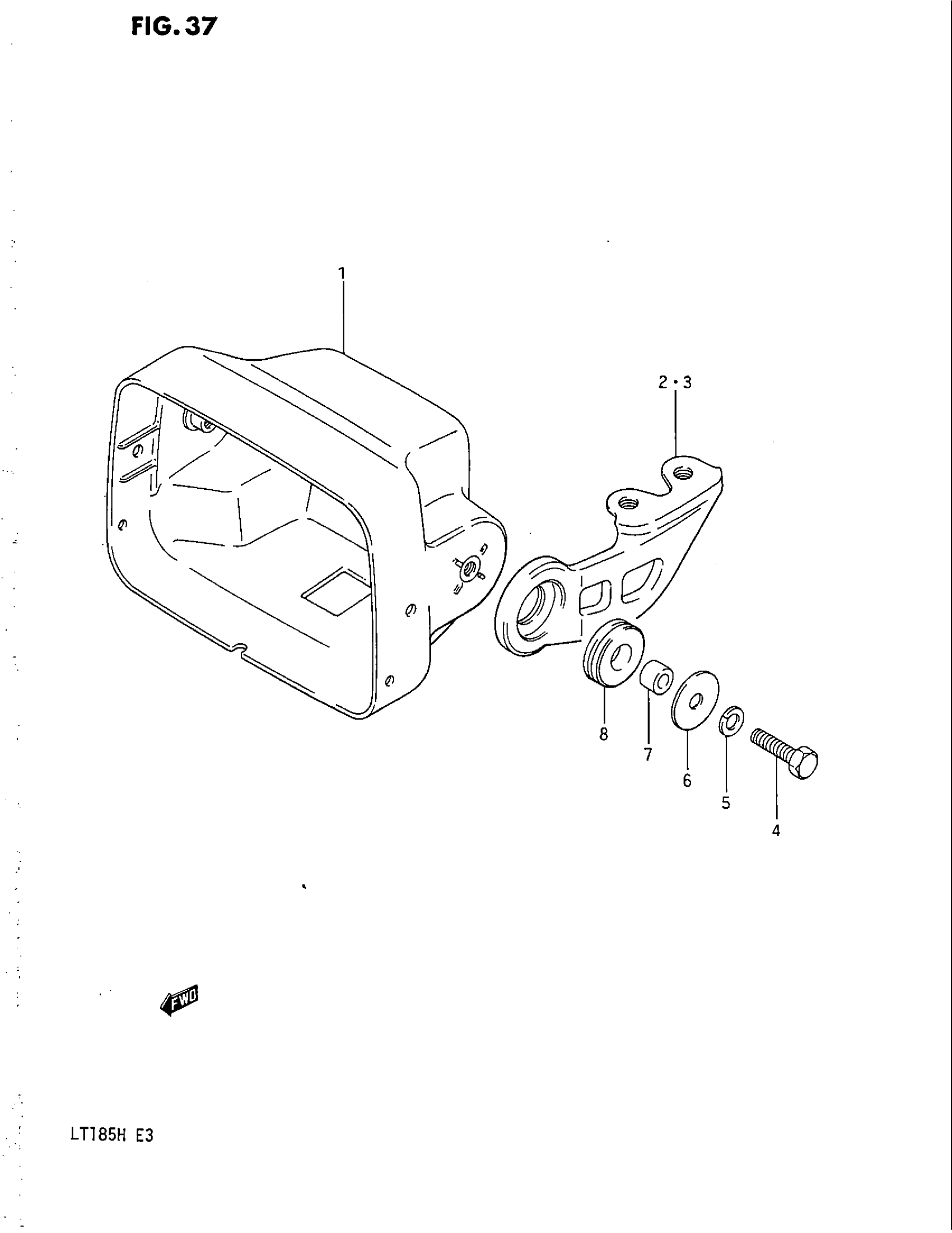
1

HOUSING, HEADLAMP (BLACK) | MODEL F This part replaces 51810-18A00-291.

51810-18A01-291

Unavailable

1

HOUSING, HEADLAMP (BLACK) | MODEL G/H

51810-18A01-291

Unavailable

2

NO DESCRIPTION AVAILABLE This part replaces 51530-24410-291.

51500-24810-291

Unavailable

3

BRACKET, HEAD LAMP, LH (BLACK

51540-24410-291

Unavailable

4

BOLT, GEAR SHIFT ARM This part replaces 01107-06255.

01500-0625A

$1.78

5

LOCK WASHER This part replaces 08321-21064.

08321-0106A

$1.84

6

WASHER, 6.5X24X1.6 This part replaces 09160-06074.

09160-06501

$1.86

7

SPACER (8.8X12X6)

09180-06010

Unavailable

8

FENDER SIDE CUS This part replaces 09320-12011.

09320-12090

$1.91