- Partiron
- OEM Parts
- Suzuki
- All Terrain Vehicle
- 2004
- LT160 (2004)
GEAR SHIFTING
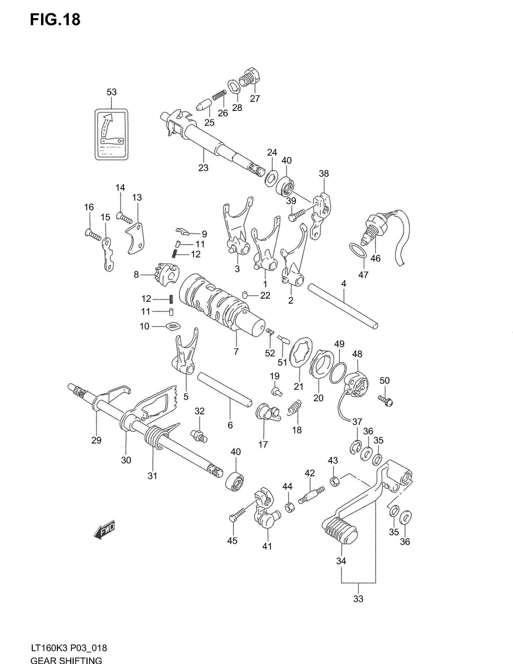
Suzuki LT160 (2004) GEAR SHIFTING Diagram
#
Description
Price
1
FORK, GEAR SHIFTING NO.1
25211-18A00
Unavailable
2
FORK, GEAR SHIFTING NO.2
25221-18A00
Unavailable
3
FORK, GEAR SHIFTING NO.4
25241-18A01
Unavailable
5
FORK, GEAR SHIFTING NO.3
25231-18A01
Unavailable
7
CAM, GEAR SHIFTING
25310-35B02
Unavailable
13
LIFTER, PAWL
25331-37400
Unavailable
17
STOPPER, CAM
25350-18A00
Unavailable
23
CAM, REVERSE SHIFTING
25320-18A04
Unavailable
29
SHAFT, GEAR SHIFTING
25510-18A01
Unavailable
30
GEAR, CAM DRIVE
25540-24200
Unavailable
38
LEVER, REVERSE SHIFTING
25621-02C00
Unavailable
