- Partiron
- OEM Parts
- Suzuki
- All Terrain Vehicle
- 2023
- LT-Z90M3 (2023)
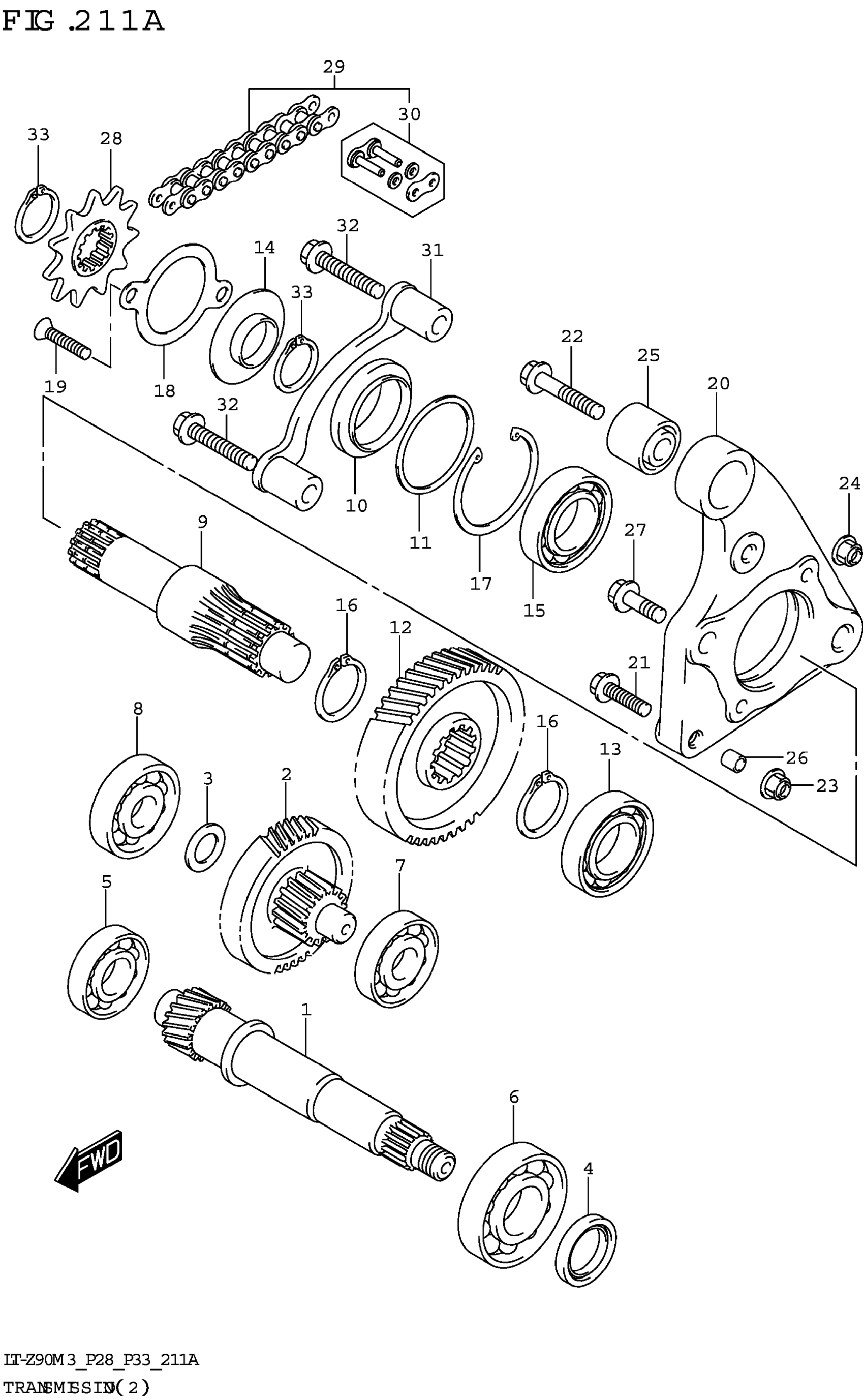
TRANSMISSION (2)
Suzuki LT-Z90M3 (2023) TRANSMISSION (2) Diagram
#
Description
Price
1
SHAFT,DRIVE (NT:17)
24131-08H00
Unavailable
2
SHAFT,IDLE,NT:15/45 (NT:15/45
24150-33G00
Unavailable
5
BEARING (15X35X11)
09262-15031
Unavailable
9
SHAFT,REAR AXLE
24141-08H00
Unavailable
11
WASHER,AXLE SHAFT BEARING (40 | 47X1.0)
24143-08H00
Unavailable
12
GEAR,FINAL DRIVEN,NT:47 (NT:4 | )
24371-33G00
Unavailable
17
CIRCLIP
08331-4147A
Unavailable
18
RETAINER,AXLE SHAFT
24751-08H00
Unavailable
20
HOUSING,RR AXLE SHAFT
24145-08H00
Unavailable
21
BOLT,10X44 (10X44)
09103-10086
Unavailable
29
CHAIN ASSY,DRIVE,RK50GSVZ3M ( | K50GSVZ3M)
27600-24F20-060
Unavailable
31
PLATE,FRONT CHAIN
27640-08H00
Unavailable
