Partiron

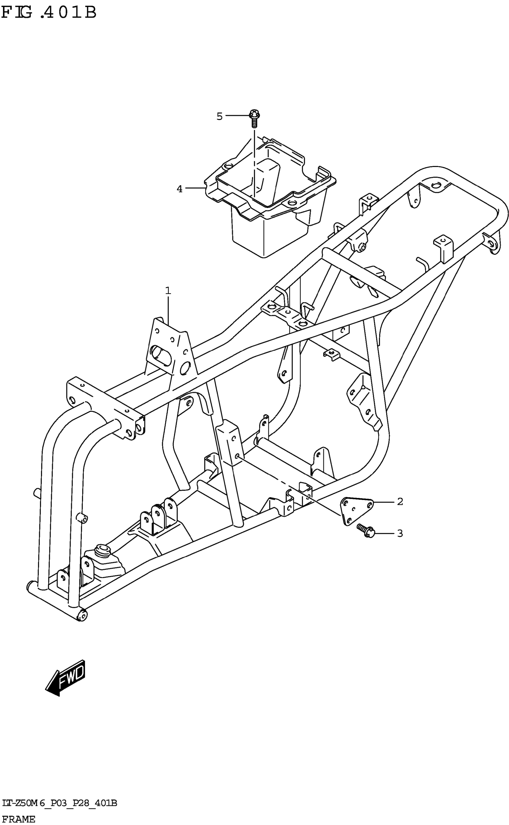
Suzuki LT-Z50M6 (2026) FRAME Diagram

#

Description
Price

1

FRAME (BLACK)

41100-43G10-019

$908.67

2

PLATE,ENG MTG,L

41921-43G00

Unavailable

3

BOLT

01550-0816B

$2.73

4

HOLDER,BATTERY

41541-43G00

$34.52

5

BOLT (6X16)

09113-06001

$2.73