- Partiron
- OEM Parts
- Suzuki
- All Terrain Vehicle
- 2023
- LT-Z50M3 (2023)
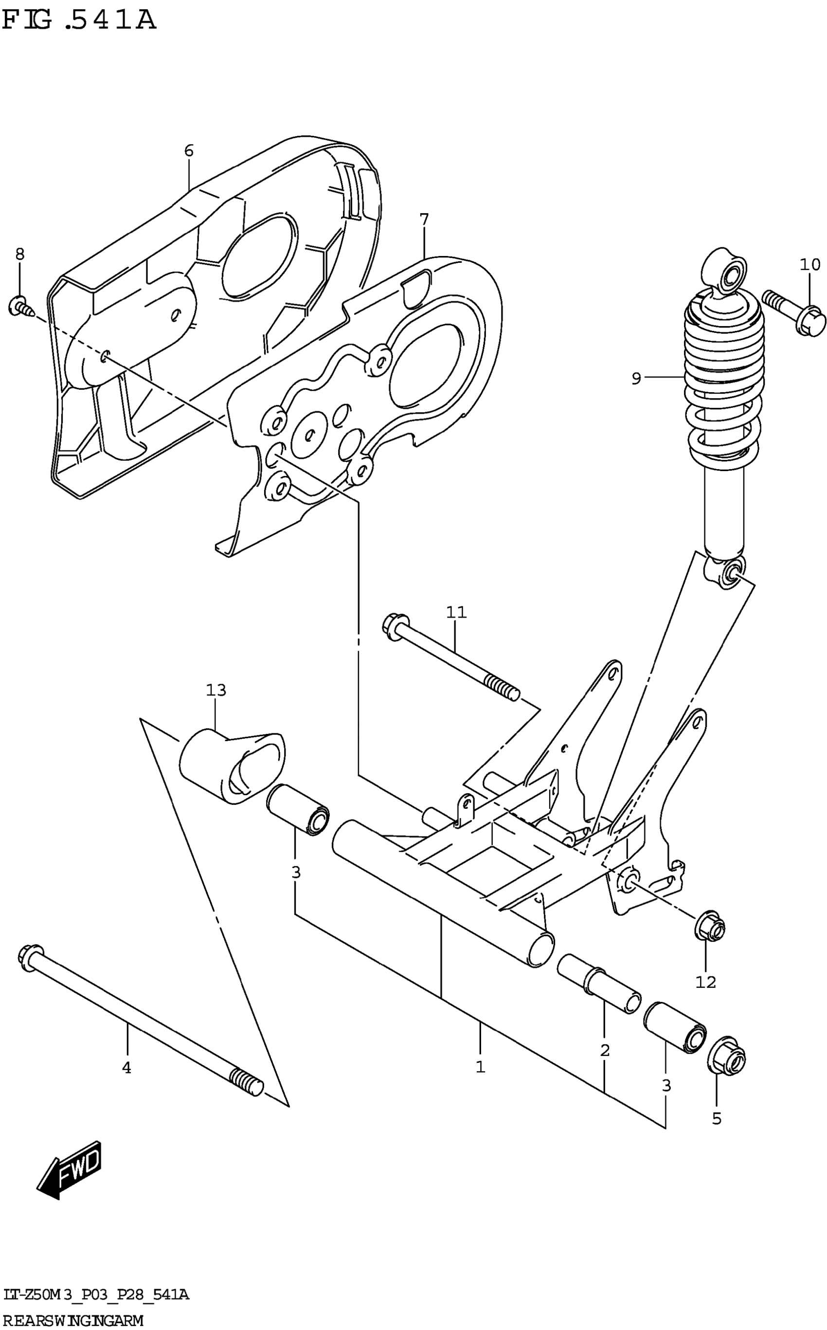
REAR SWINGINGARM
Suzuki LT-Z50M3 (2023) REAR SWINGINGARM Diagram
#
Description
Price
1
SWINGINGARM ASSY,REAR (BLACK)
61000-43G00-019
Unavailable
4
SHAFT,RR SWIGARM PIVOT
61211-43G00
Unavailable
7
CASE,CHAIN INNER
61313-43G00
Unavailable
9
ABSORBER ASSY,RR SHOCK (RED)
62100-43FK1-YKS
Unavailable
13
BUFFER,CHAIN TOUCH DEFENSE
61273-43F01
Unavailable
