Partiron

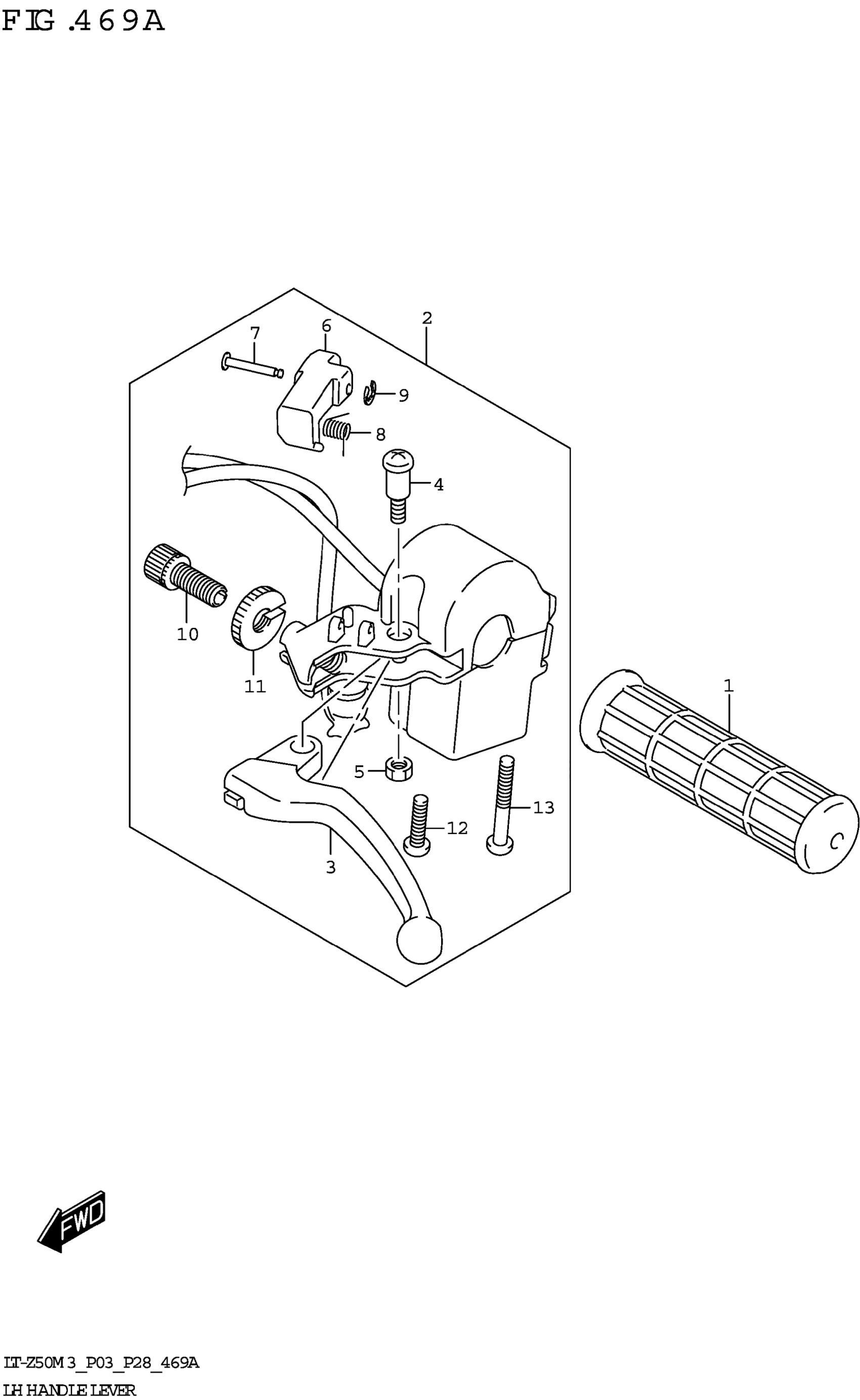
Suzuki LT-Z50M3 (2023) LH HANDLE LEVER Diagram

#

Description
Price

1

GRIP

57211-04600

$4.93

2

LEVER ASSY,RR BRAKE & SWITCH

57500-43G10

$144.33

3

.LEVER,BRAKE

57421-43G00

$12.02

4

.SCREW,PIVOT

57431-43G00

$7.63

5

.NUT

08319-2105B

$3.08

6

.LOCK PLATE

57791-43G00

$9.92

7

.PIN

57781-43G00

$6.00

8

.SPRING

57134-43G00

$4.65

9

.E RING

57432-43G00

$3.77

10

.ADJUSTER,CABLE

57441-43G00

$15.33

11

.NUT, LOCK

57442-45C01

$8.41

12

.SCREW

02112-0520B

$1.84

13

.SCREW

02112-0535B

$2.23