- Partiron
- OEM Parts
- Suzuki
- All Terrain Vehicle
- 2021
- LT-Z50M1 (2021)
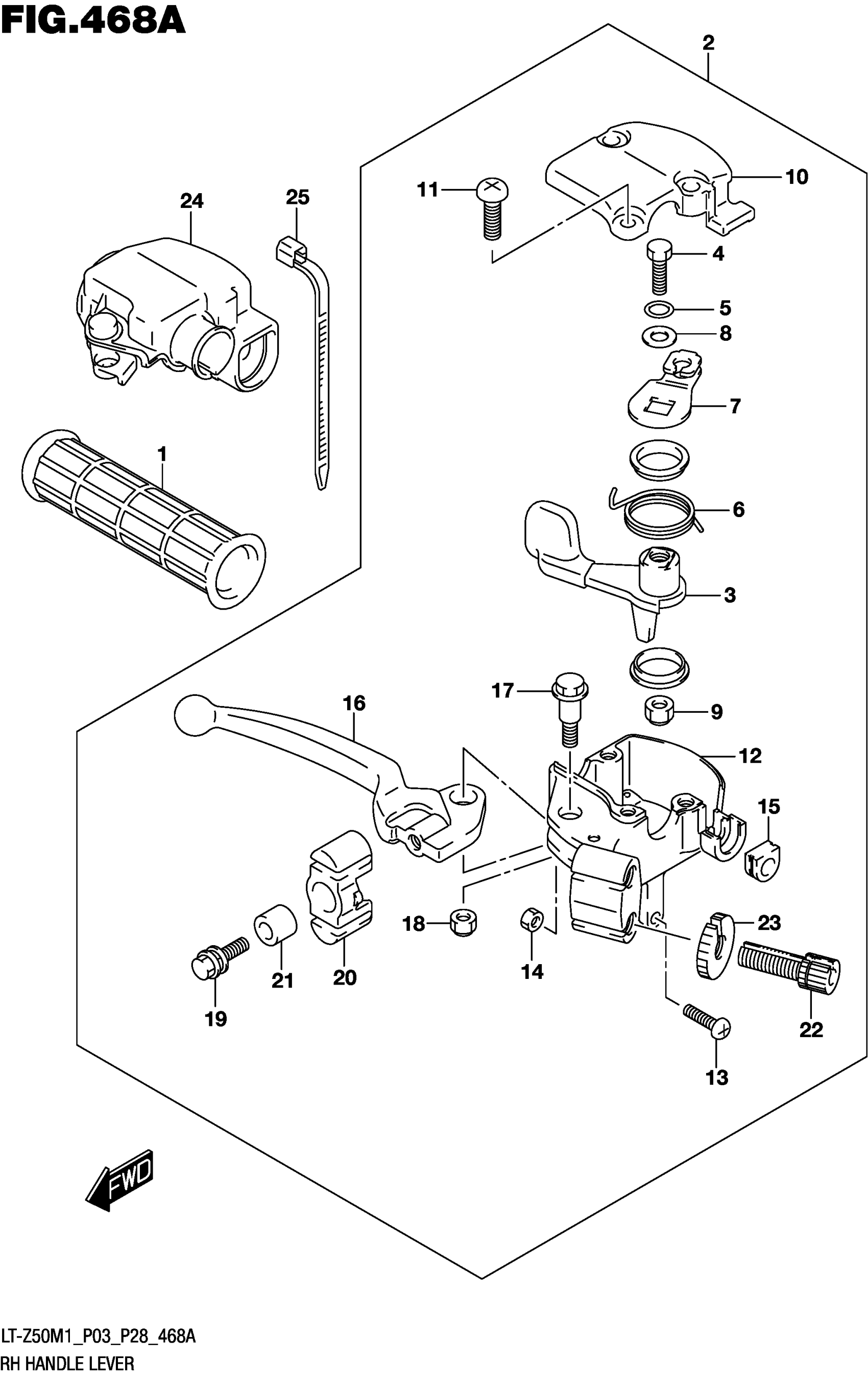
RH HANDLE LEVER
Suzuki LT-Z50M1 (2021) RH HANDLE LEVER Diagram
#
Description
Price
5
.BUSH
57136-43F00
Unavailable
7
.ARM,THROTTLE LEVER
57114-43F00
Unavailable
15
.DUST SEAL
58333-04200
Unavailable
