Partiron

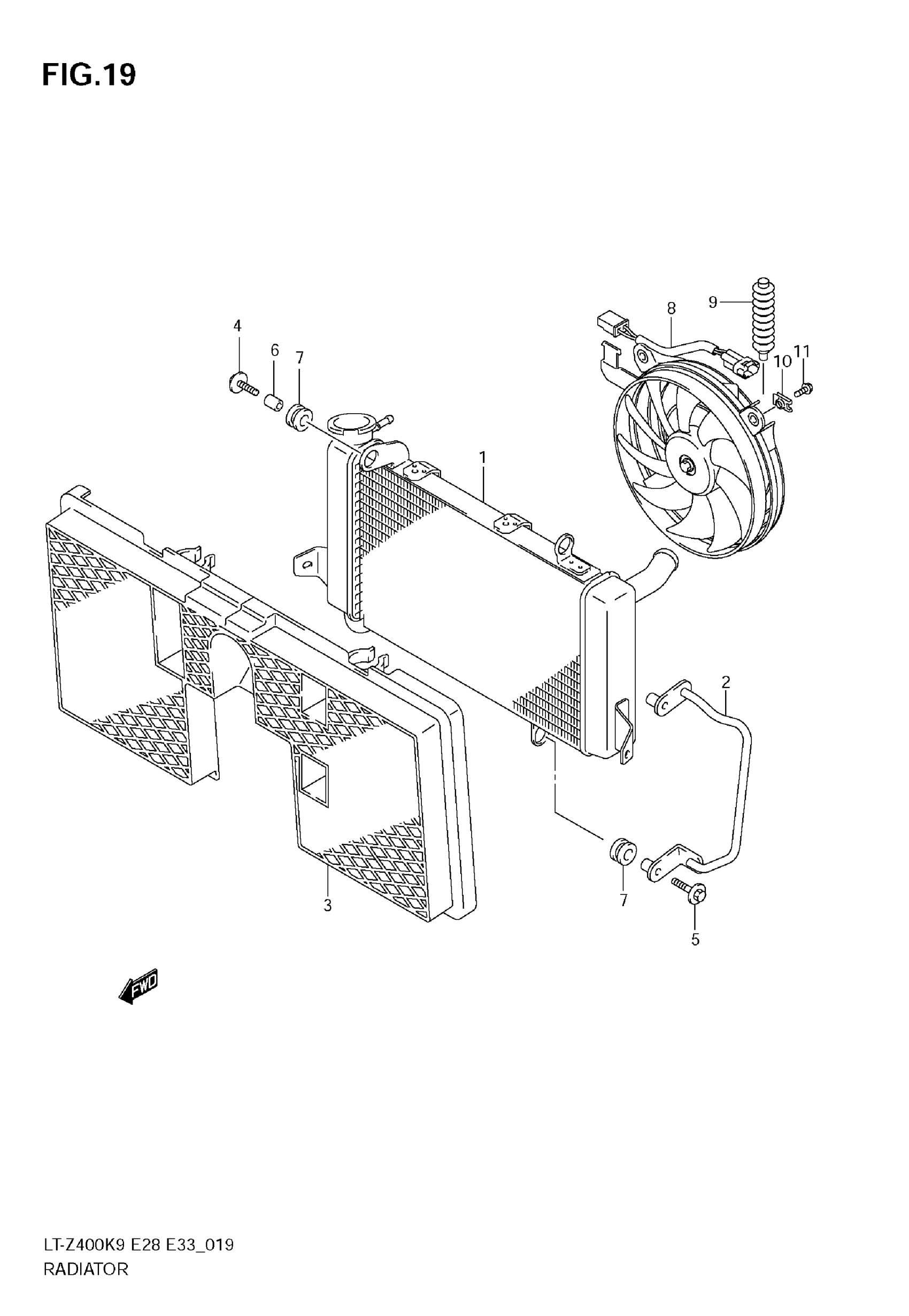
Suzuki LT-Z400 (2009) RADIATOR Diagram

#

Description
Price

1

RADIATOR ASSY, WATER

17710-33H00

$1,017.42

2

GUARD, RADIATOR

17750-33H00

Unavailable

3

COVER, RADIATOR

17760-33H00

Unavailable

4

BOLT

09118-06097

$2.50

5

BOLT

01550-0625B

$2.42

6

SPACER

09180-06290

$2.35

7

CUSHION

09320-10042

$3.12

8

FAN ASSY,RADIAT This part replaces 17800-33H00.

17800-33H01

$435.28

9

.BOOT,RDTR FAN MOTOR

17820-07G10

$7.48

10

NUT

17802-14F00

$3.38

11

BOLT

01550-0610A

$1.97