- Partiron
- OEM Parts
- Suzuki
- All Terrain Vehicle
- 2009
- LT-Z400 (2009)
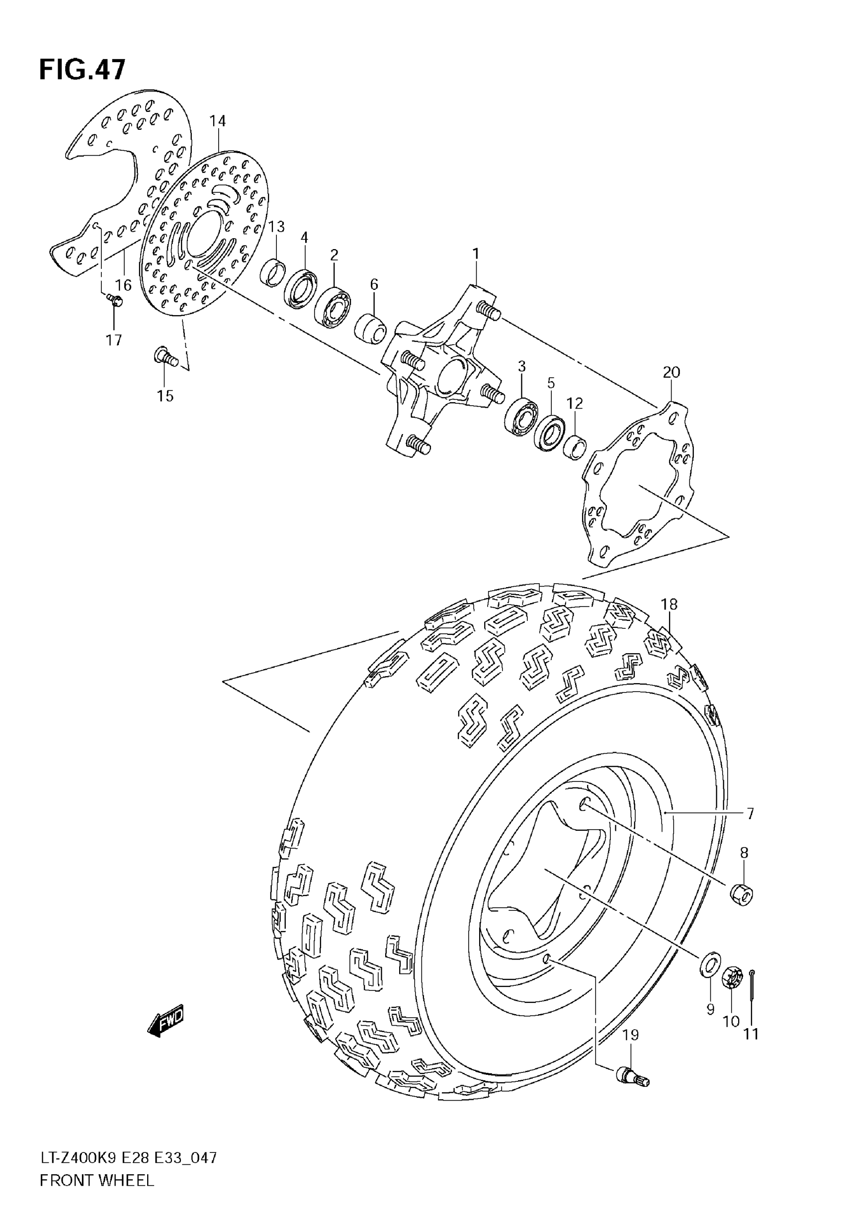
FRONT WHEEL
Suzuki LT-Z400 (2009) FRONT WHEEL Diagram
#
Description
Price
7
RIM, FRONT WHEEL (10X5.5AT) (BLACK) | LT-Z400ZK9
55310-07G20-YPJ
Unavailable
18
TIRE, FRONT
55110-07G00
Unavailable
