- Partiron
- OEM Parts
- Suzuki
- All Terrain Vehicle
- 2024
- LT-F400FM4 (2024)
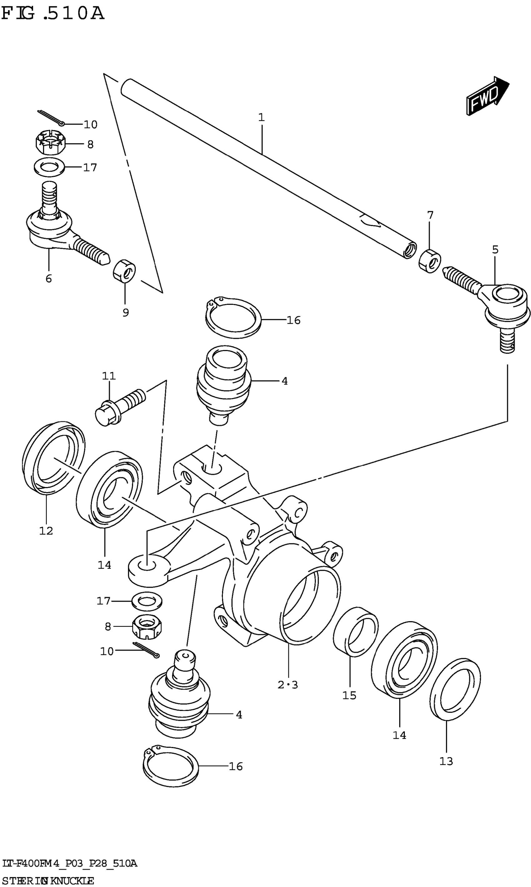
STEERING KNUCKLE
Suzuki LT-F400FM4 (2024) STEERING KNUCKLE Diagram
#
Description
Price
14
BEARING
08133-60067
Unavailable
STEERING KNUCKLE
#
14
08133-60067
Unavailable
Edit ride
