- Partiron
- OEM Parts
- Suzuki
- All Terrain Vehicle
- 2020
- LT-F400FM0 (2020)
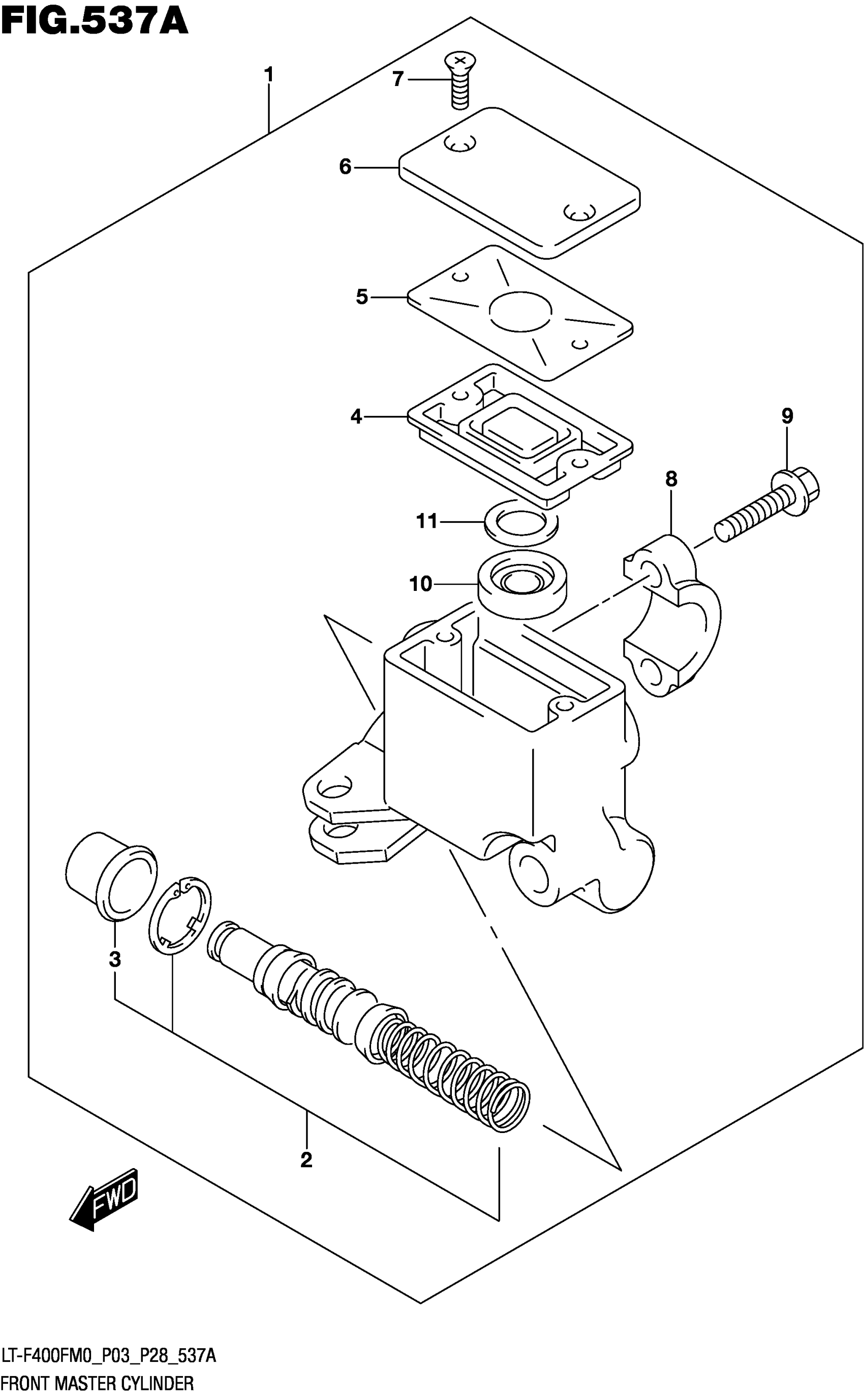
FRONT MASTER CYLINDER
Suzuki LT-F400FM0 (2020) FRONT MASTER CYLINDER Diagram
#
Description
Price
FRONT MASTER CYLINDER
#
Edit ride
