- Partiron
- OEM Parts
- Suzuki
- All Terrain Vehicle
- 2020
- LT-F400FM0 (2020)
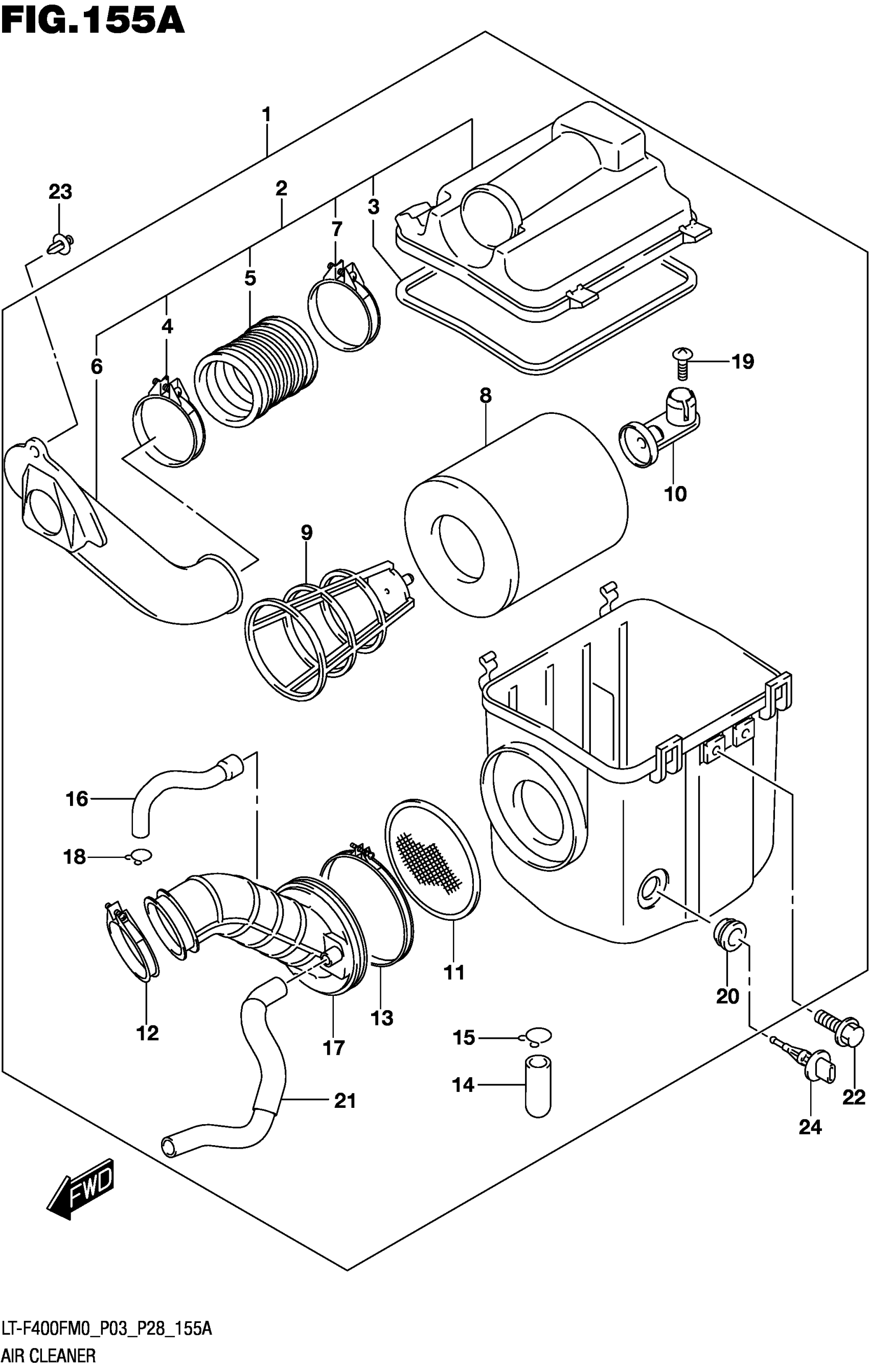
AIR CLEANER
Suzuki LT-F400FM0 (2020) AIR CLEANER Diagram
#
Description
Price
17
.TUBE, OUTLET
13881-27H40
Unavailable
21
.TUBE, 2ND AIR
13857-27H40
Unavailable
