- Partiron
- OEM Parts
- Suzuki
- All Terrain Vehicle
- 2019
- LT-F400FL9 (2019)
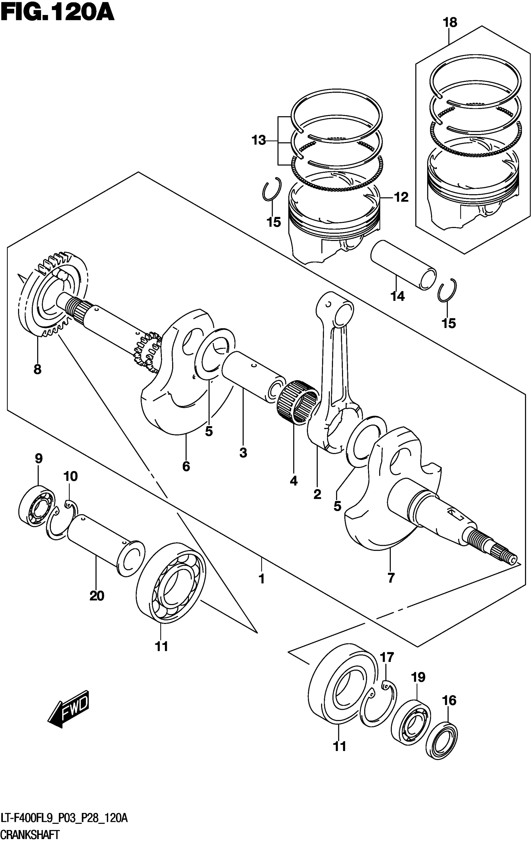
CRANKSHAFT
Suzuki LT-F400FL9 (2019) CRANKSHAFT Diagram
#
Description
Price
6
.CRANKSHAFT,RH (NT:24)
12220-38F61
Unavailable
7
.CRANKSHAFT,L
12261-38F60
Unavailable
8
.GEAR,CRANK BALANCER DRIVE (N
12661-38F01
Unavailable
8
.GEAR,CRANK BALANCER DRIVE (N
12661-38F01
Unavailable
20
SPACER,CRANKSHAFT,R
12222-38F50
Unavailable
