- Partiron
- OEM Parts
- Suzuki
- All Terrain Vehicle
- 2016
- LT-F400FL6 (2016)
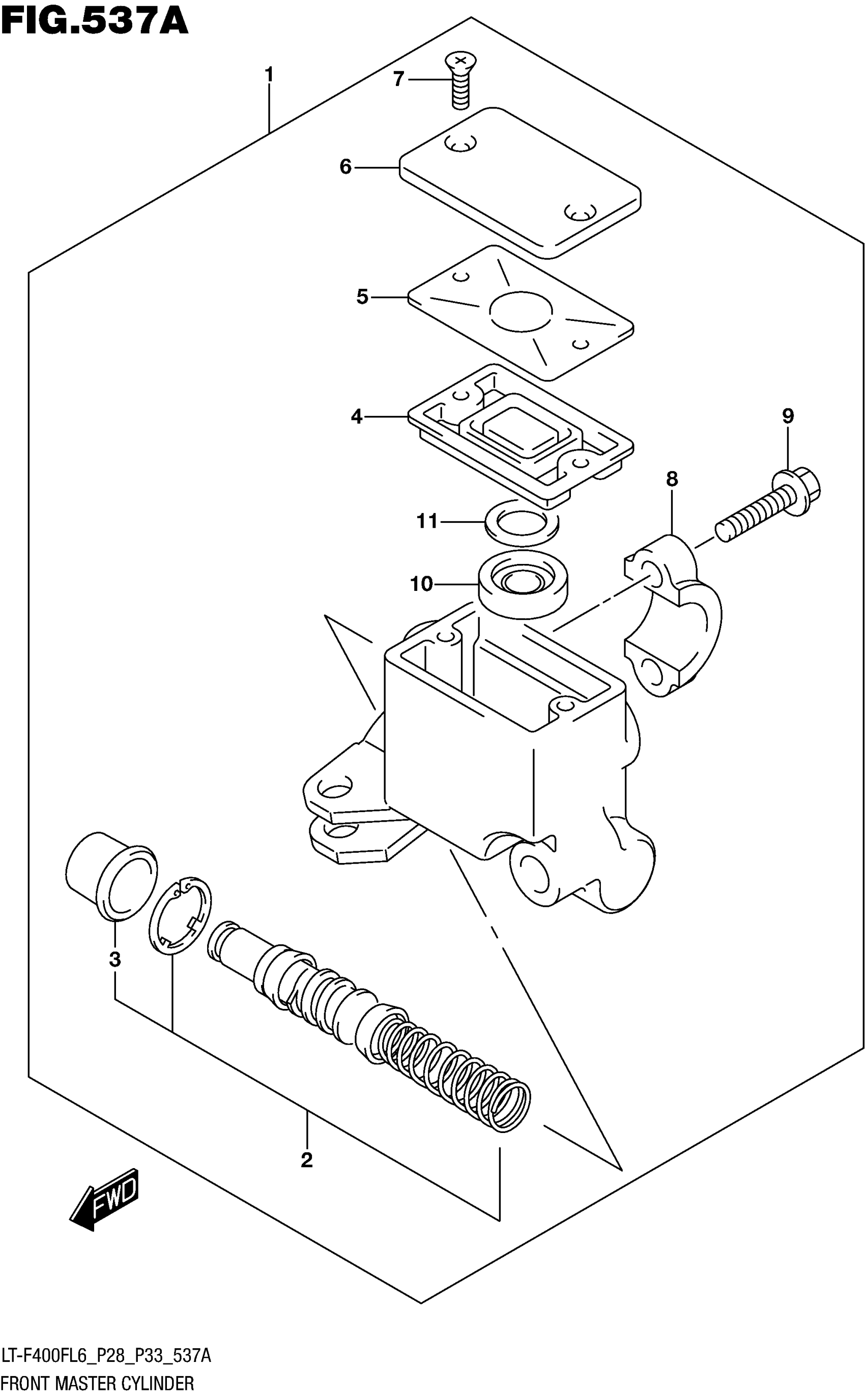
FRONT MASTER CYLINDER
Suzuki LT-F400FL6 (2016) FRONT MASTER CYLINDER Diagram
#
Description
Price
FRONT MASTER CYLINDER
#
Edit ride
