- Partiron
- OEM Parts
- Suzuki
- All Terrain Vehicle
- 2015
- LT-F400FL5 (2015)
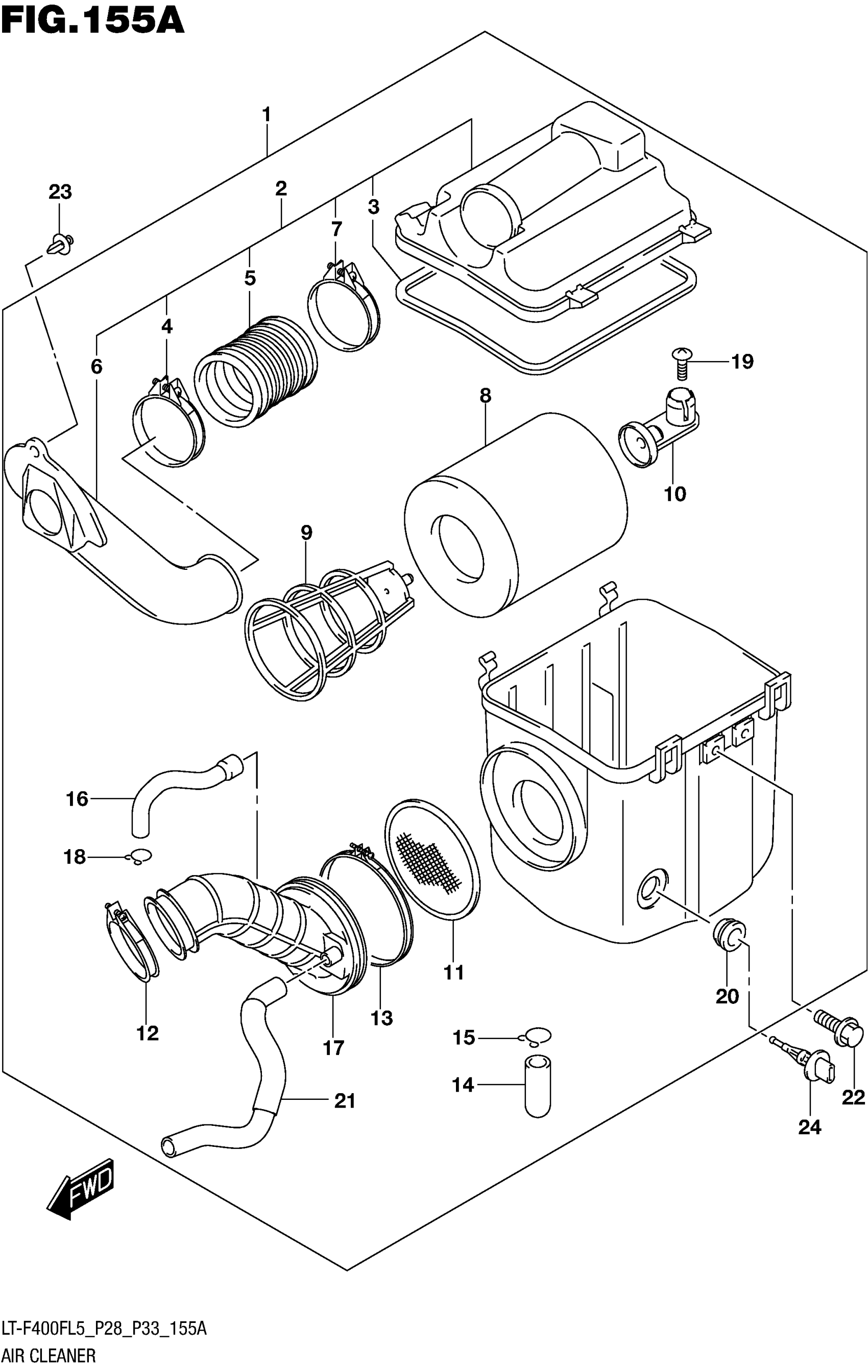
AIR CLEANER (LT-F400FL5 P28)
Suzuki LT-F400FL5 (2015) AIR CLEANER (LT-F400FL5 P28) Diagram
#
Description
Price
17
TUBE, OUTLET
13881-27H40
Unavailable
21
TUBE, 2ND AIR
13857-27H40
Unavailable
