- Partiron
- OEM Parts
- Suzuki
- All Terrain Vehicle
- 2013
- LT-F400FL3 (2013)
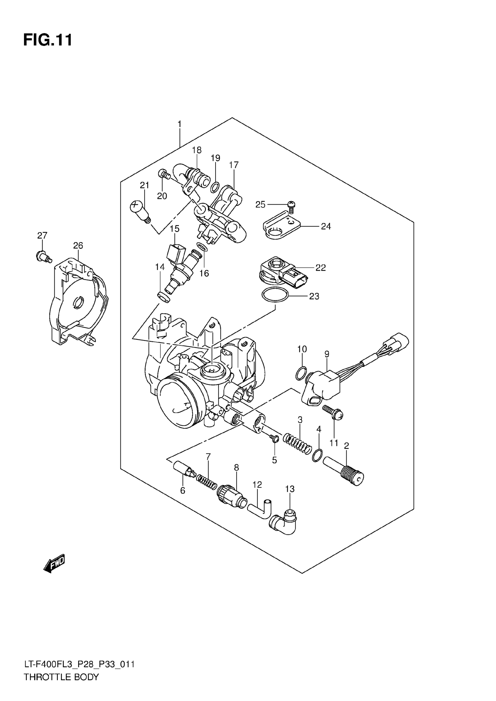
THROTTLE BODY
Suzuki LT-F400FL3 (2013) THROTTLE BODY Diagram
#
Description
Price
3
SPRING
13271-14G00
Unavailable
24
PLATE, MAP SENSOR
15622-33H00
Unavailable
