- Partiron
- OEM Parts
- Suzuki
- All Terrain Vehicle
- 2007
- LT-F400 (2007)
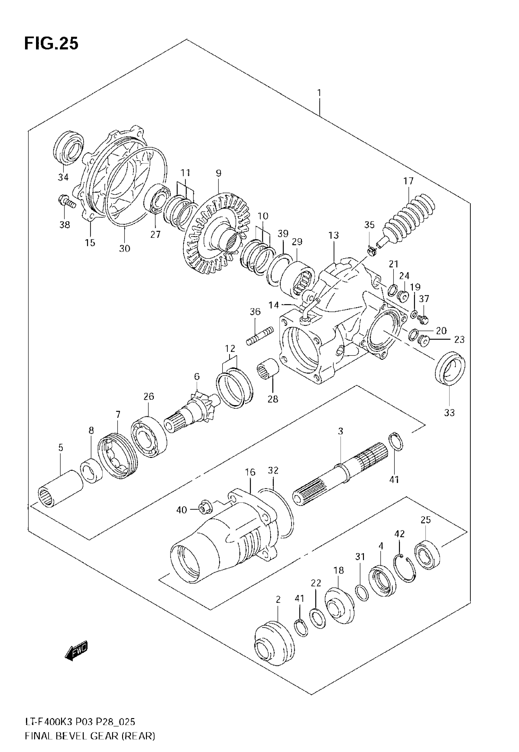
FINAL BEVEL GEAR (REAR)(MODEL K3)
Suzuki LT-F400 (2007) FINAL BEVEL GEAR (REAR)(MODEL K3) Diagram
#
Description
Price
1
NO DESCRIPTION AVAILABLE | Includes Item(s) 2 - 42 This part replaces 27300-38861.
27301-38820
Unavailable
6
GEAR, REAR FINAL DRIVE | NT:10
27311-38F00
Unavailable
8
SPACER, REAR FINAL DRIVE
27316-38F00
Unavailable
9
GEAR, FINAL DRIVEN BEVEL | NT:36
27321-38F00
Unavailable
13
CASE, REAR FINAL GEAR
27450-38F00
Unavailable
15
CASE, REAR FINAL DRIVEN RH
27461-38F00
Unavailable
16
HOUSING, RR FINAL DRIVE
27471-38F50
Unavailable
39
WASHER, FINAL DRIVEN LH
08211-40505
Unavailable
