- Partiron
- OEM Parts
- Suzuki
- All Terrain Vehicle
- 2002
- LT-F400 (2002)
CRANKSHAFT
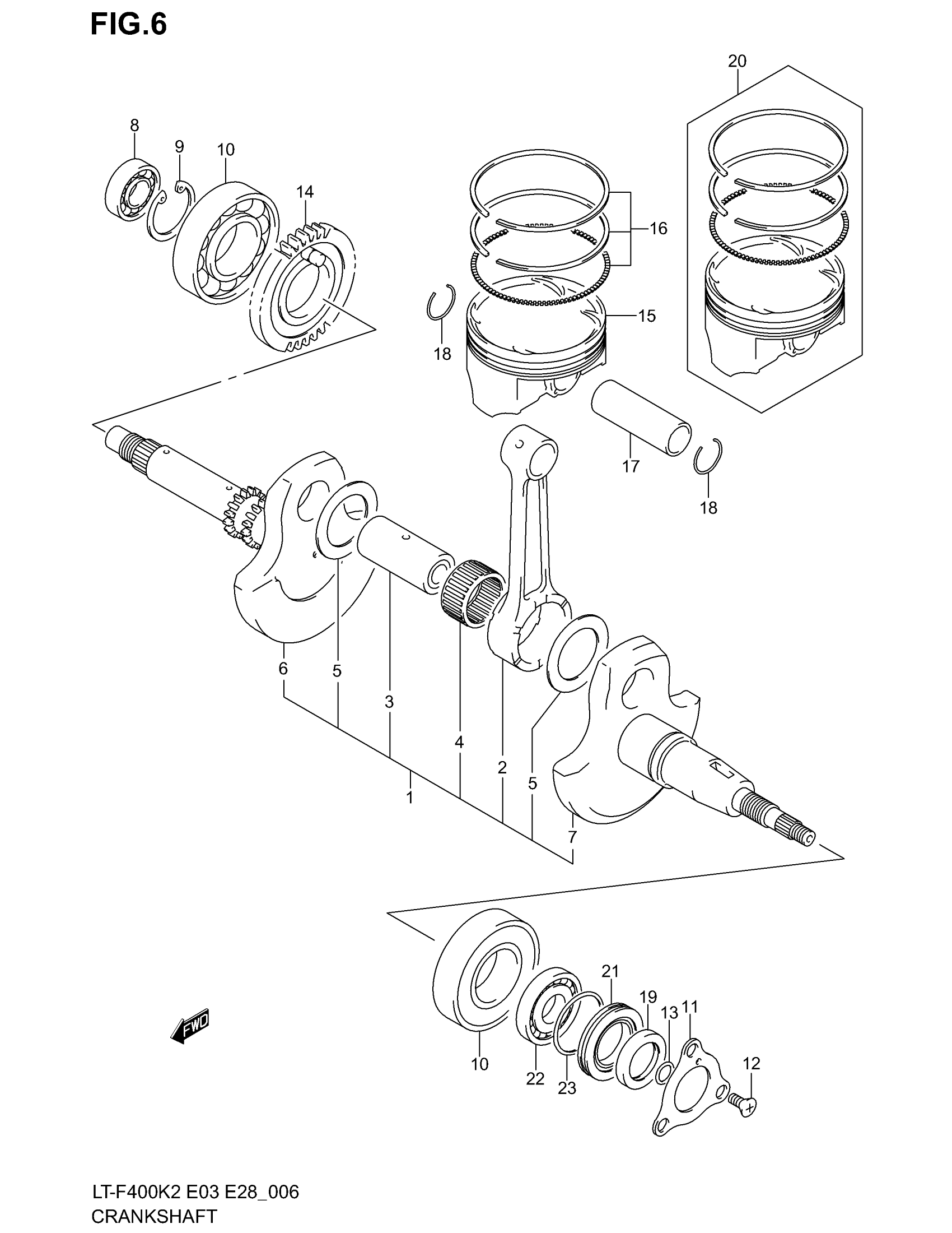
Suzuki LT-F400 (2002) CRANKSHAFT Diagram
#
Description
Price
1
CRANKSHAFT SET | Includes Item(s) 2 - 7 This part replaces 12200-38F50.
12200-38851
Unavailable
6
CRANKSHAFT SET, RH This part replaces 12220-38F50.
12220-38851
Unavailable
7
.CRANKSHAFT, LH This part replaces 12261-38F51.
12261-38F60
Unavailable
14
GEAR, CRANK BALANCER DRIVE
12661-38F01
Unavailable
