- Partiron
- OEM Parts
- Suzuki
- All Terrain Vehicle
- 2002
- LT-F300F (2002)
SECONDARY GEAR - PROPELLER SHAFT
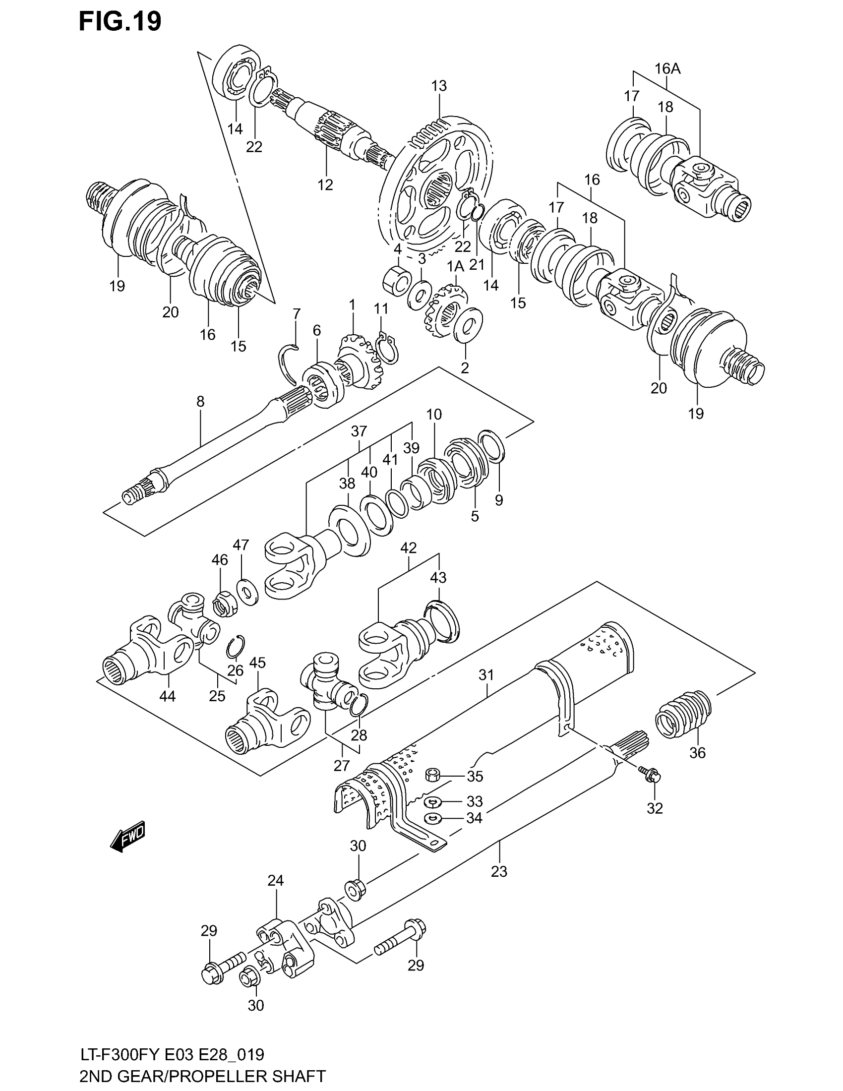
Suzuki LT-F300F (2002) SECONDARY GEAR - PROPELLER SHAFT Diagram
#
Description
Price
1
GEAR, SECONDARY DRIVE BEVEL | NT:16
24911-19B70
Unavailable
1A
GEAR, SECONDARY DRIVEN BEVEL | NT:18
24921-19B70
Unavailable
2
SHIM SET,SEC DRIVE BEVEL | T:0.25/0.30/0.35/0.9./0.95/1.00 /1.05/1.10/1.15 This part replaces 24935-19810.
24935-03811
$133.70
8
SHAFT, SECONDARY OUTPUT
24961-19B01
Unavailable
13
GEAR, DRIVEN (NT:62)
27541-19B10
Unavailable
25
JOINT SET, UNIVERSAL RR | MODEL X/Y; Includes Item(s) 26 This part replaces 27200-73813.
27200-73814
$50.65
27
JOINT SET,UNIVERSAL | MODEL K1/K2; Includes Item(s) 28 This part replaces 27200-19810.
27200-19811
$59.54
31
PROTECTOR
27190-19B71
Unavailable
37
YOKE, FR DRIVE OUTPUT | MODEL X/Y; Includes Item(s) 38 - 41 This part replaces 27130-19B00.
27130-19B10
$185.53
42
YOKE, REAR DRIVE OUTPUT | MODEL K1/K2; Includes Item(s) 43 This part replaces 27130-38F00.
27130-03G00
$156.94
44
YOKE, PROPELLER SHAFT JOINT | MODEL X/Y
27140-19B00
Unavailable
