- Partiron
- OEM Parts
- Suzuki
- All Terrain Vehicle
- 2002
- LT-F250F (2002)
SECONDARY GEAR - PROPELLER SHAFT
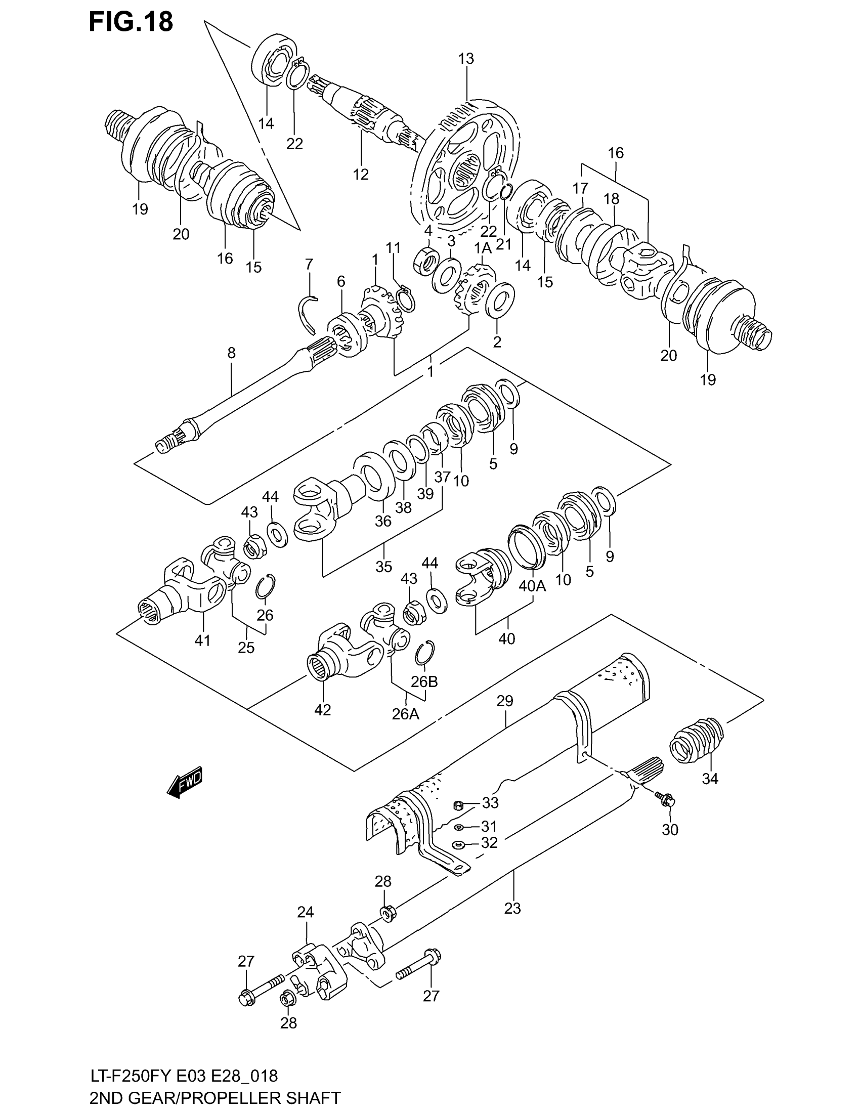
Suzuki LT-F250F (2002) SECONDARY GEAR - PROPELLER SHAFT Diagram
#
Description
Price
1
GEAR, DRIVE BEVEL | NT:16
24911-19B00
Unavailable
1A
GEAR, DRIVEN BEVEL | NT:17
24921-19B00
Unavailable
2
SHIM SET,SEC DRIVE BEVEL | T:0.30/0.35/0.90/0.95/ 1.00/1.05/1.10/1.15 This part replaces 24935-19810.
24935-03811
$133.70
8
SHAFT, SECONDARY OUTPUT
24961-19B01
Unavailable
13
GEAR, DRIVEN (NT:62)
27541-19B10
Unavailable
25
JOINT SET, UNIVERSAL RR | MODEL X/Y; Includes Item(s) 26 This part replaces 27200-73813.
27200-73814
$50.65
26A
JOINT SET,UNIVERSAL | MODEL K1/K2; Includes Item(s) 26B This part replaces 27200-19810.
27200-19811
$59.54
29
PROTECTOR | MODEL X/Y/K1 This part replaces 27190-19B70.
27190-19B71
Unavailable
29
PROTECTOR | MODEL K2
27190-19B71
Unavailable
35
YOKE, FR DRIVE OUTPUT | MODEL X/Y; Includes Item(s) 36 - 39 This part replaces 27130-19B00.
27130-19B10
$185.53
40
YOKE, REAR DRIVE OUTPUT | MODEL K1/K2; Includes Item(s) 40A This part replaces 27130-38F00.
27130-03G00
$156.94
41
YOKE, PROPELLER SHAFT JOINT | MODEL X/Y
27140-19B00
Unavailable
