- Partiron
- OEM Parts
- Suzuki
- All Terrain Vehicle
- 1995
- LT-F250 (1995)
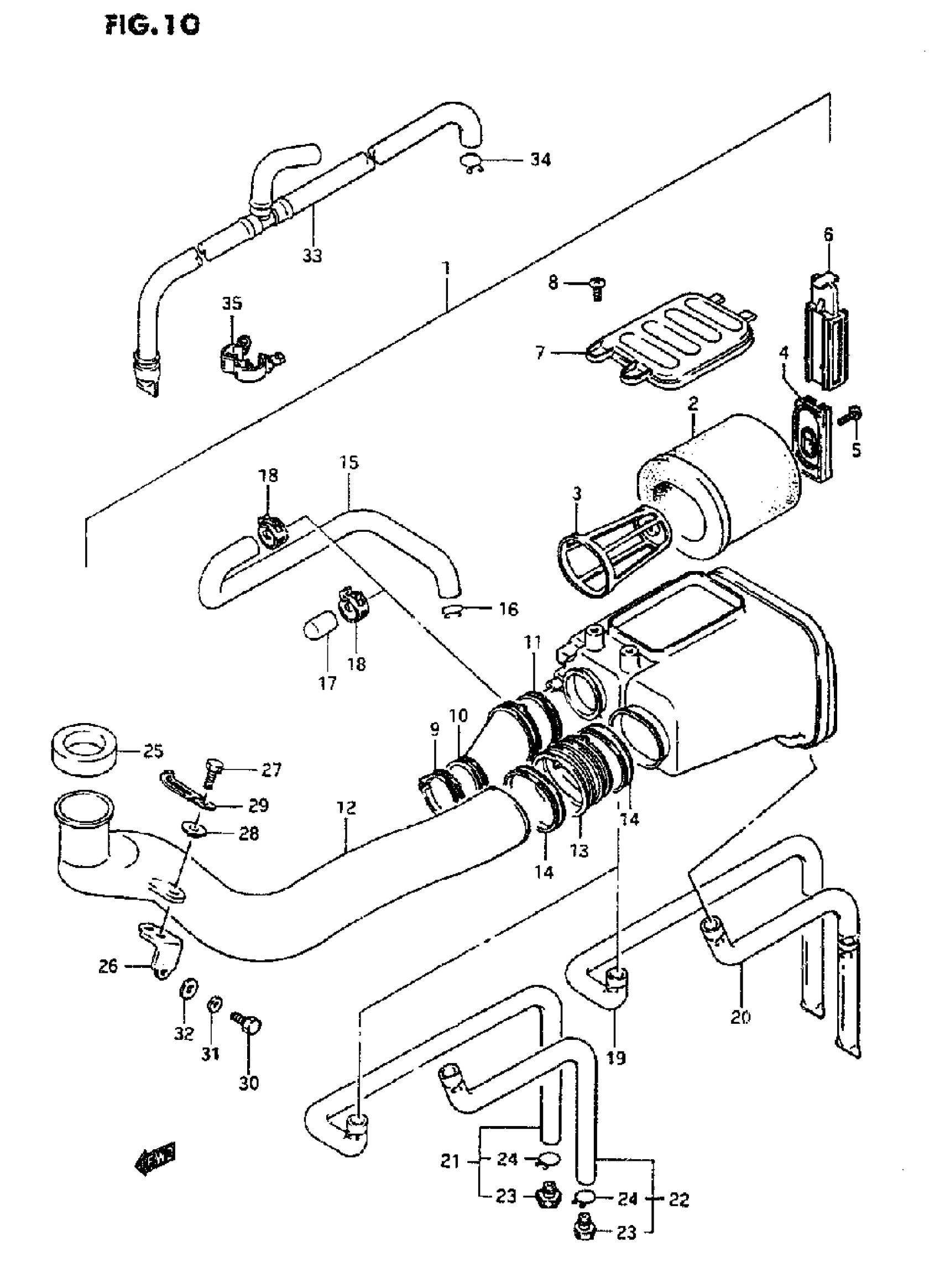
AIR CLEANER (MODEL M/N/P/R/S/T)
Suzuki LT-F250 (1995) AIR CLEANER (MODEL M/N/P/R/S/T) Diagram
#
Description
Price
1
NO DESCRIPTION AVAILABLE | MODEL M/N/P This part replaces 13700-19B55.
13700-39D01
Unavailable
1
NO DESCRIPTION AVAILABLE | MODEL R/S This part replaces 13700-19B56.
13700-39D01
Unavailable
1
NO DESCRIPTION AVAILABLE | MODEL T This part replaces 13700-39D00.
13700-39D01
Unavailable
1
CASE, AIR CLEANER | MODEL R/S
13720-19B80
Unavailable
15
TUBE, BREATHER
13853-19B00
Unavailable
19
TUBE ASSY, DRAIN
13870-19B80
Unavailable
22
TUBE ASSY,DRAIN | MODEL T This part replaces 13870-39D00.
13870-39D01
Unavailable
35
CHECK VALVE | OPT.MODEL P/R/S/T
13860-19B80
Unavailable
