- Partiron
- OEM Parts
- Suzuki
- All Terrain Vehicle
- 2015
- LT-A750XPL5 (2015)
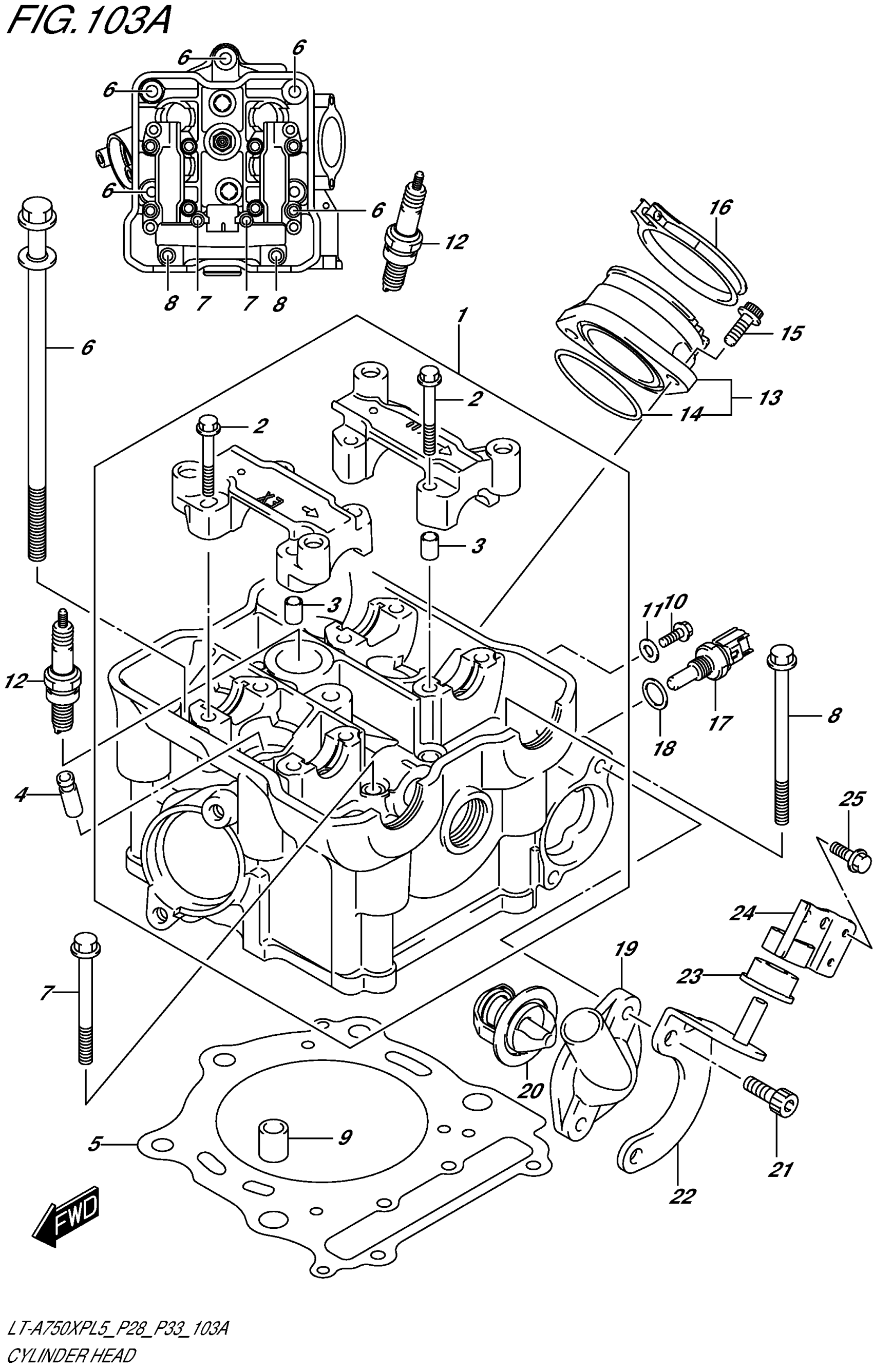
CYLINDER HEAD
Suzuki LT-A750XPL5 (2015) CYLINDER HEAD Diagram
#
Description
Price
12
SPARK PLUG (LMAR8A-9) | OPT NGK
09482-00625
Unavailable
