- Partiron
- OEM Parts
- Suzuki
- All Terrain Vehicle
- 2023
- LT-A750XM3 (2023)
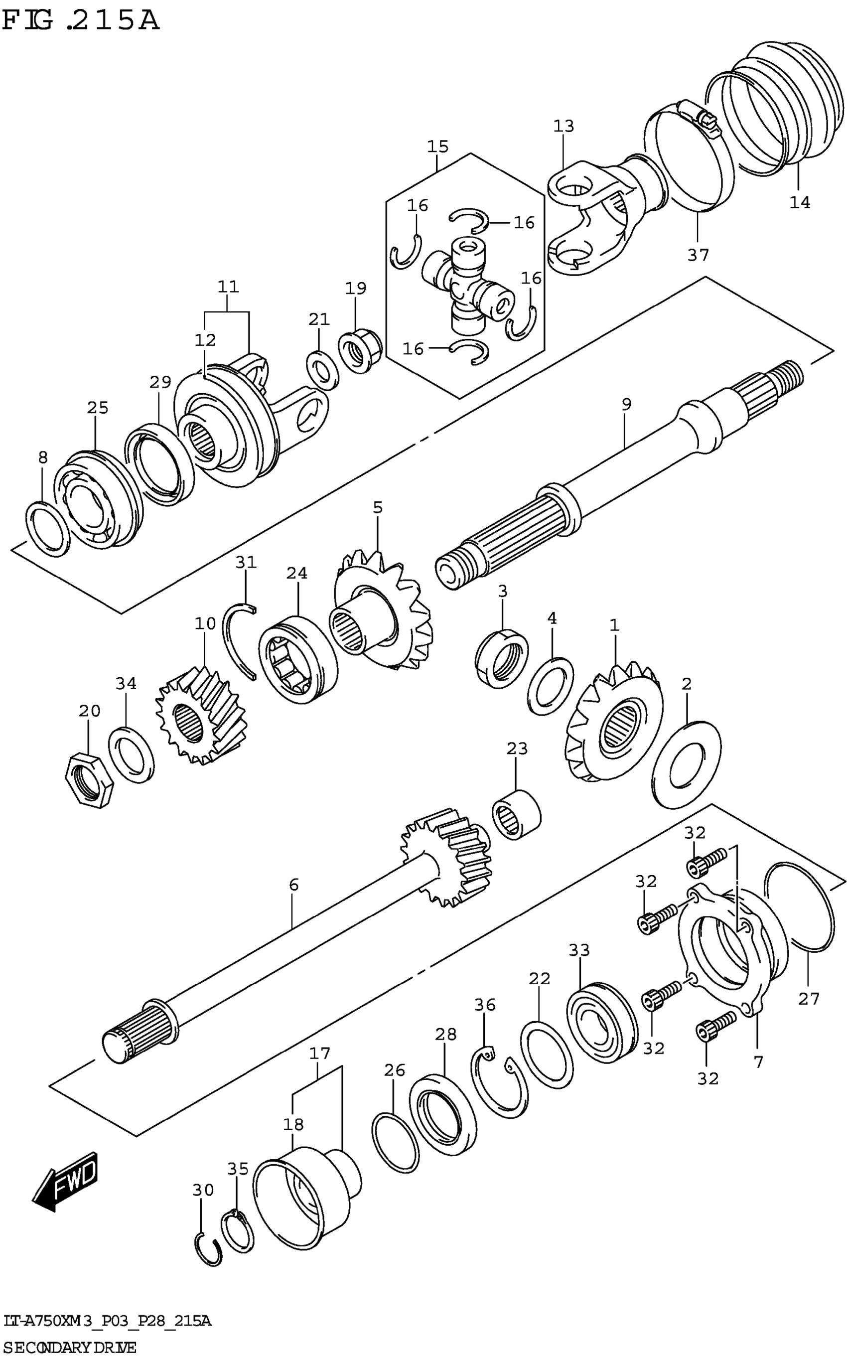
SECONDARY DRIVE
Suzuki LT-A750XM3 (2023) SECONDARY DRIVE Diagram
#
Description
Price
11
YOKE, RR DRIVE OUTPUT
27130-31G10
Unavailable
12
.FLANGE, OUTPUT YOKE BOOT
27592-31G30
Unavailable
