- Partiron
- OEM Parts
- Suzuki
- All Terrain Vehicle
- 2023
- LT-A750XM3 (2023)
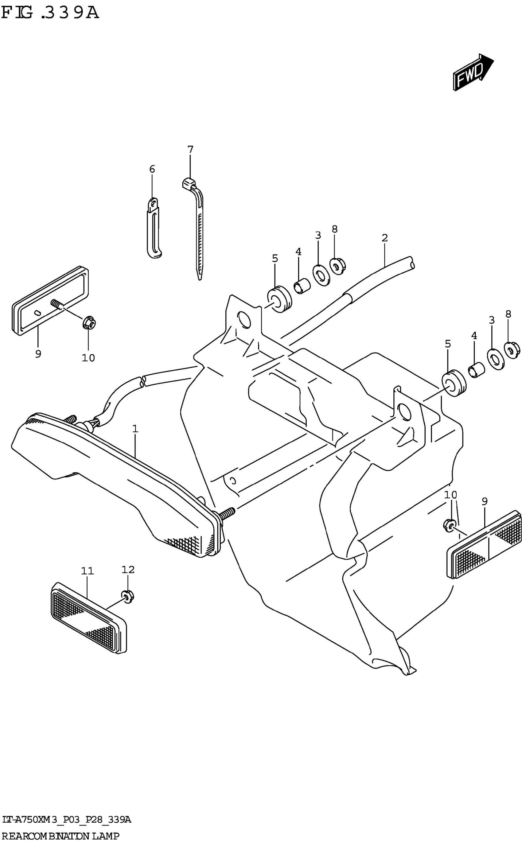
REAR COMBINATION LAMP
Suzuki LT-A750XM3 (2023) REAR COMBINATION LAMP Diagram
#
Description
Price
REAR COMBINATION LAMP
#
Edit ride
