- Partiron
- OEM Parts
- Suzuki
- All Terrain Vehicle
- 2025
- LT-A500XM2 (2025)
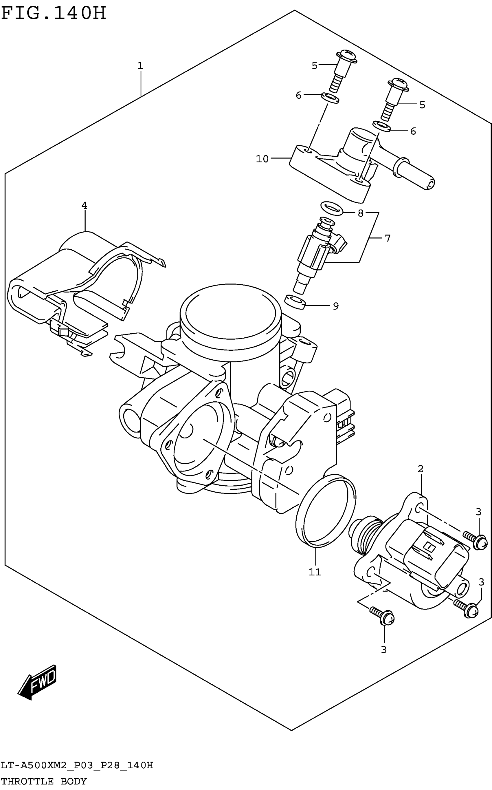
THROTTLE BODY (LT-A500XPZM2 P28)
Suzuki LT-A500XM2 (2025) THROTTLE BODY (LT-A500XPZM2 P28) Diagram
#
Description
Price
THROTTLE BODY (LT-A500XPZM2 P28)
#
Edit ride
