- Partiron
- OEM Parts
- Suzuki
- All Terrain Vehicle
- 2025
- LT-A500XM2 (2025)
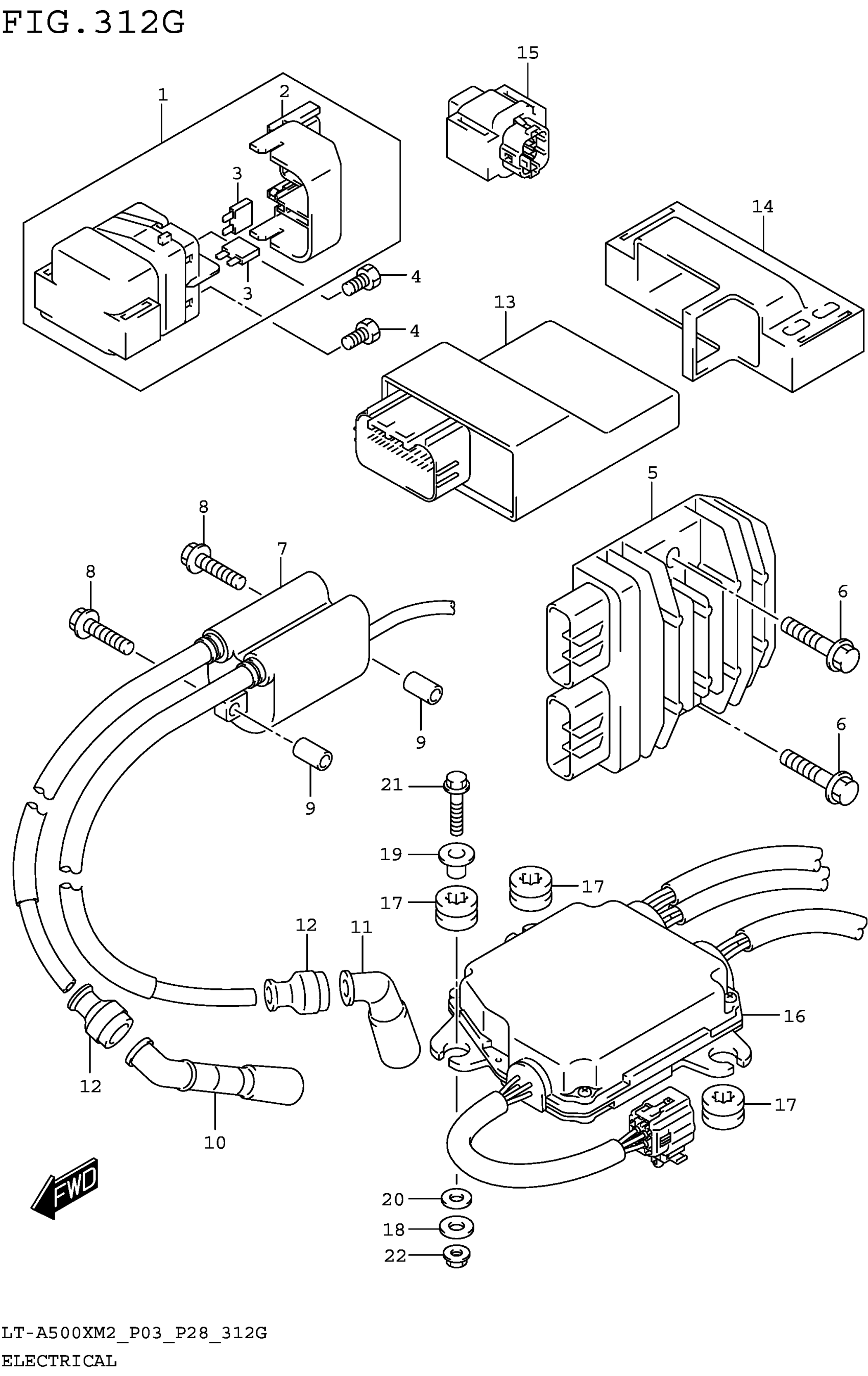
ELECTRICAL (LT-A500XPZM2 P03)
Suzuki LT-A500XM2 (2025) ELECTRICAL (LT-A500XPZM2 P03) Diagram
#
Description
Price
17
CUSHION, EPS
32912-31G00
Unavailable
