- Partiron
- OEM Parts
- Suzuki
- All Terrain Vehicle
- 2021
- LT-A500XM1 (2021)
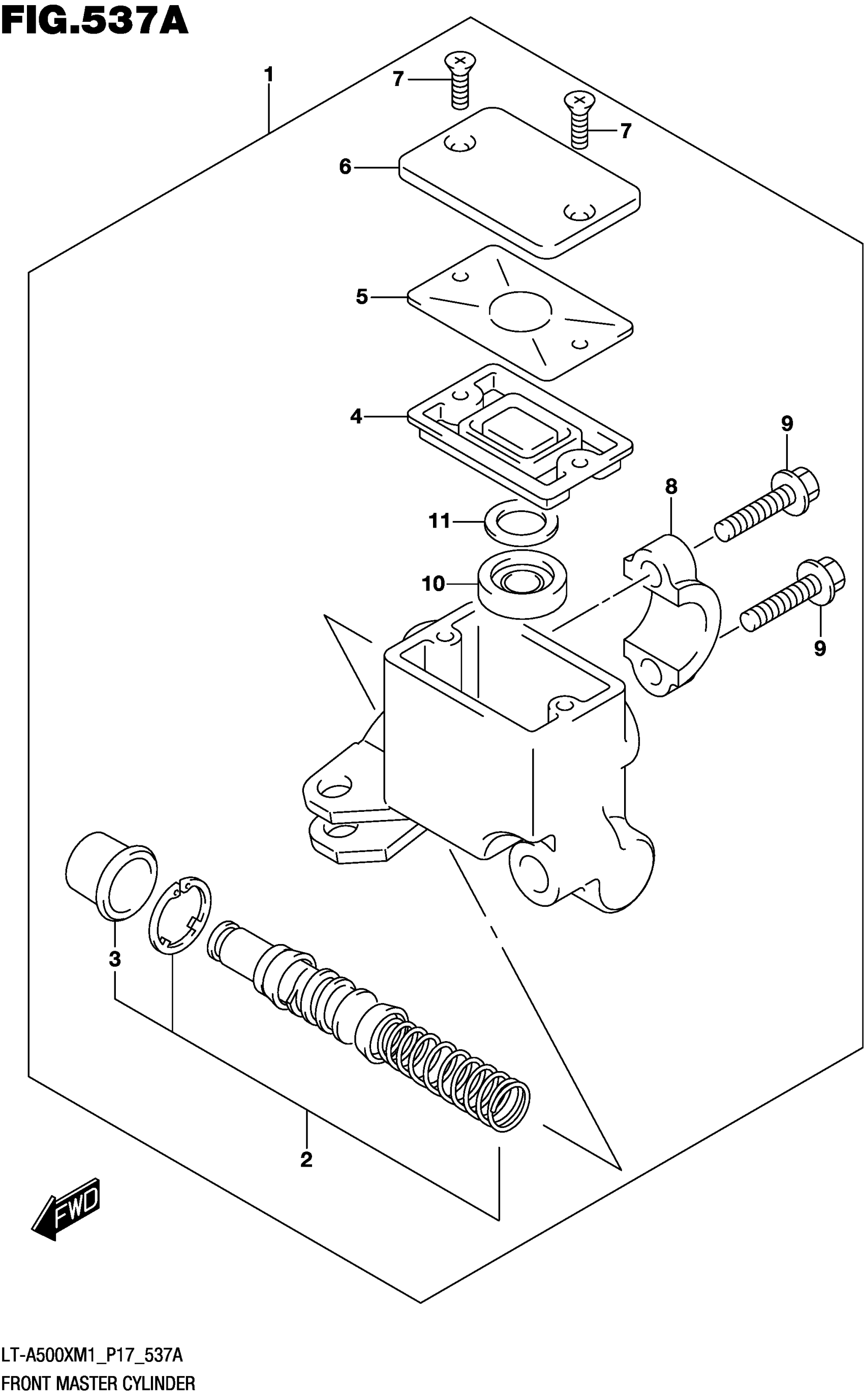
FRONT MASTER CYLINDER
Suzuki LT-A500XM1 (2021) FRONT MASTER CYLINDER Diagram
#
Description
Price
FRONT MASTER CYLINDER
#
Edit ride
