Partiron

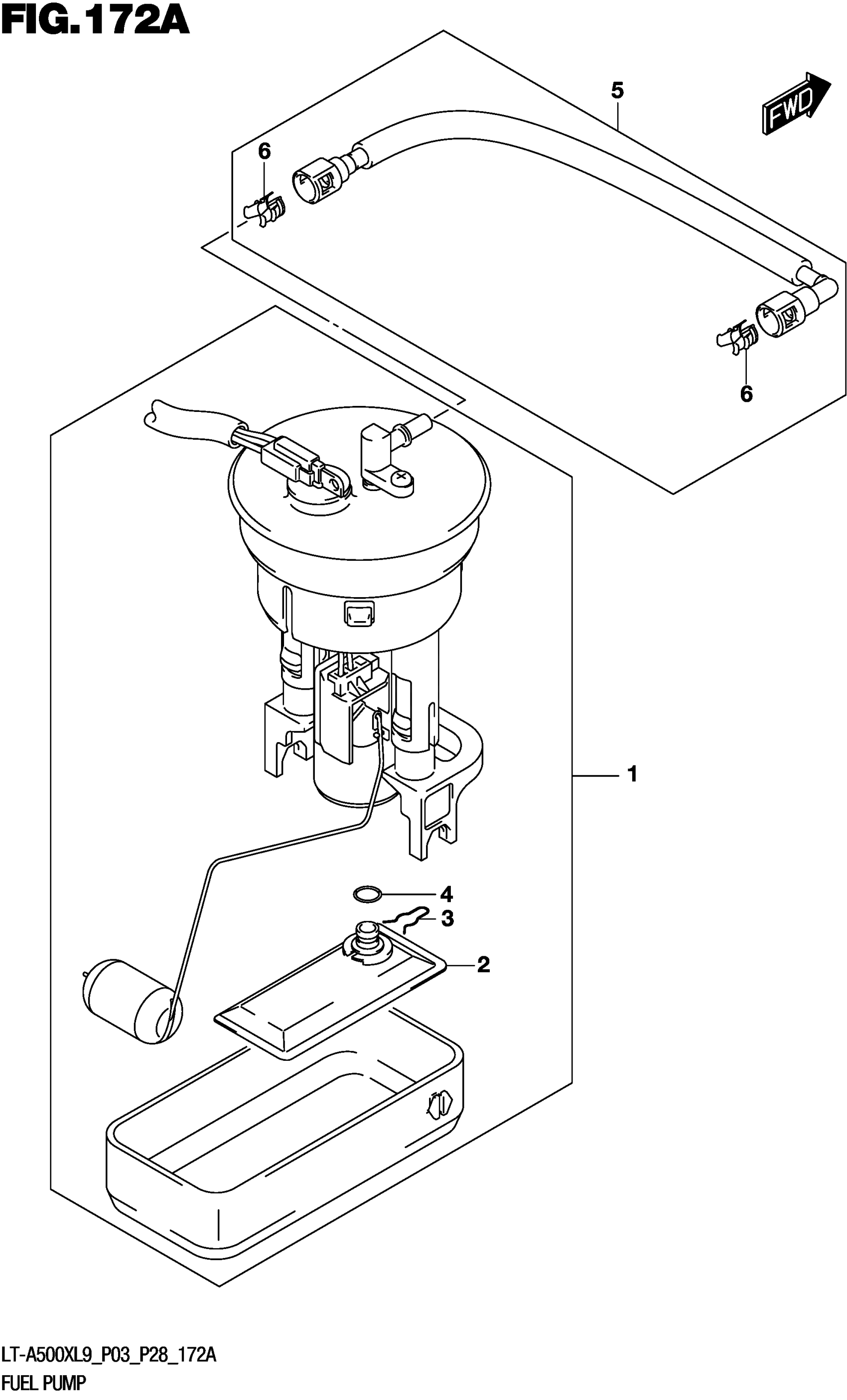
Suzuki LT-A500XL9 (2019) FUEL PUMP Diagram

#

Description
Price

1

PUMP ASSY, FUEL This part replaces 15100-31G30.

15100-31G31

$400.79

2

.FILTER, FUEL PUMP

15420-31G00

$72.74

3

.CLIP

15421-31G00

$2.97

4

.O RING

15424-31G00

$6.57

5

HOSE, FUEL

15810-31G03

$36.78

6

.RETAINER

15815-35F00

$7.83