- Partiron
- OEM Parts
- Suzuki
- All Terrain Vehicle
- 2016
- LT-A500XL6 (2016)
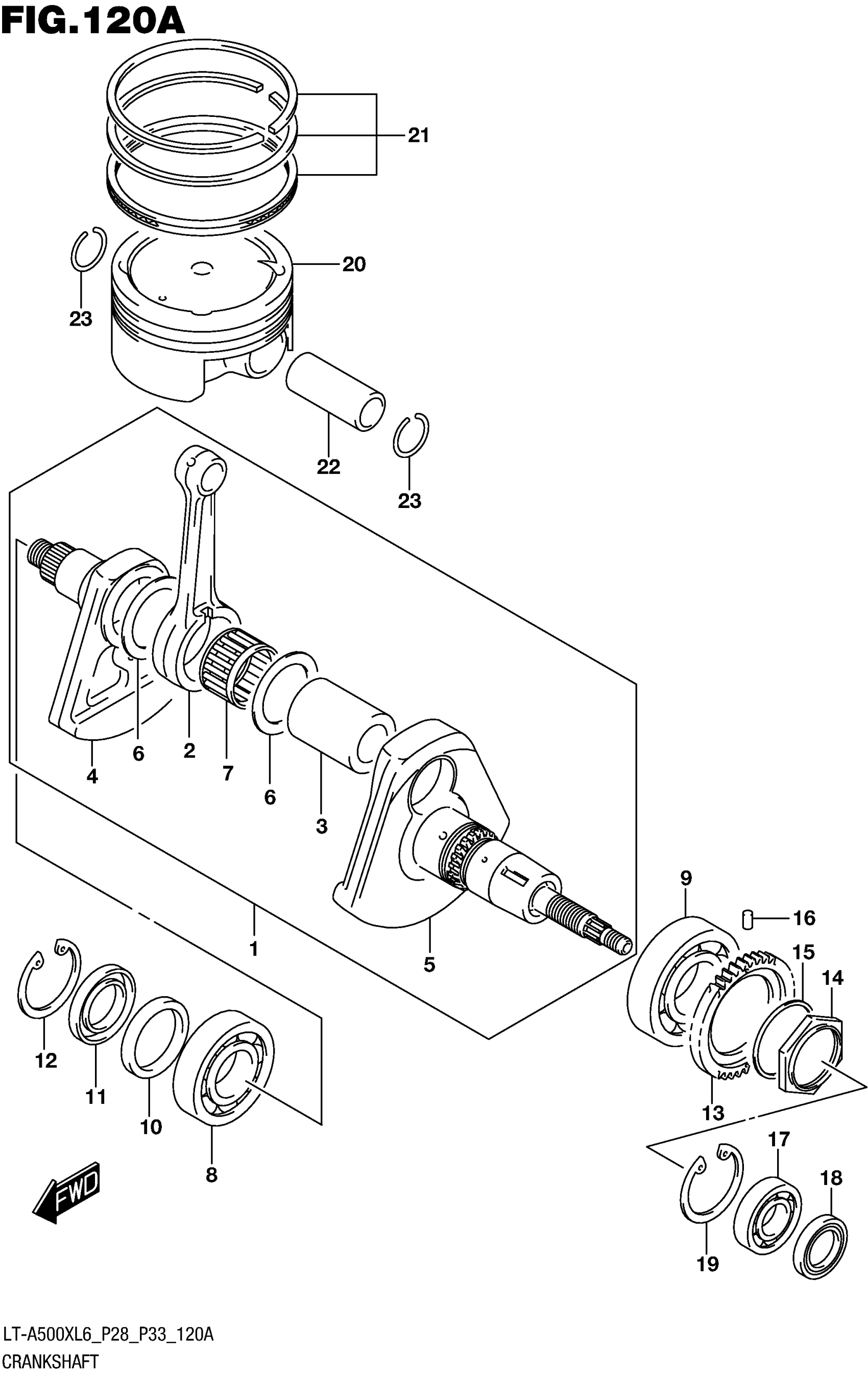
CRANKSHAFT
Suzuki LT-A500XL6 (2016) CRANKSHAFT Diagram
#
Description
Price
4
.CRANKSHAFT RH
12220-11H00
Unavailable
5
.CRANKSHAFT LH
12261-11H00
Unavailable
