- Partiron
- OEM Parts
- Suzuki
- All Terrain Vehicle
- 2015
- LT-A500XL5 (2015)
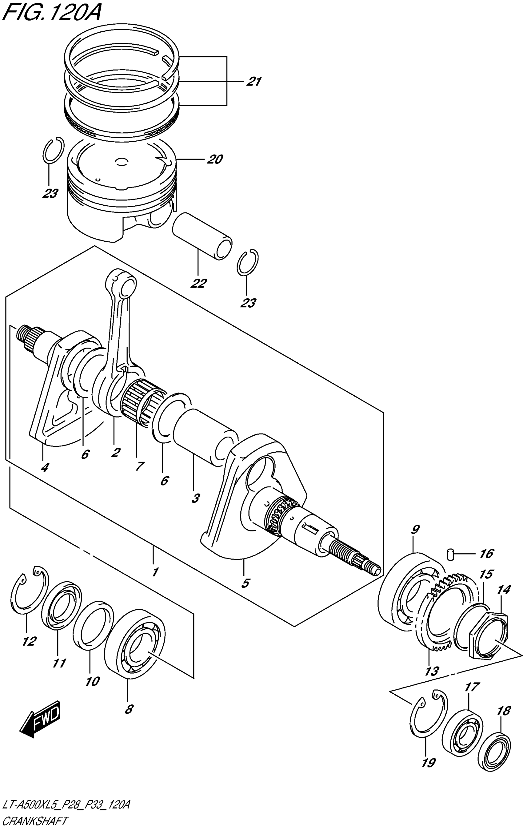
CRANKSHAFT
Suzuki LT-A500XL5 (2015) CRANKSHAFT Diagram
#
Description
Price
4
CRANKSHAFT RH
12220-11H00
Unavailable
5
CRANKSHAFT LH
12261-11H00
Unavailable
