- Partiron
- OEM Parts
- Suzuki
- All Terrain Vehicle
- 2014
- LT-A500XL4 (2014)
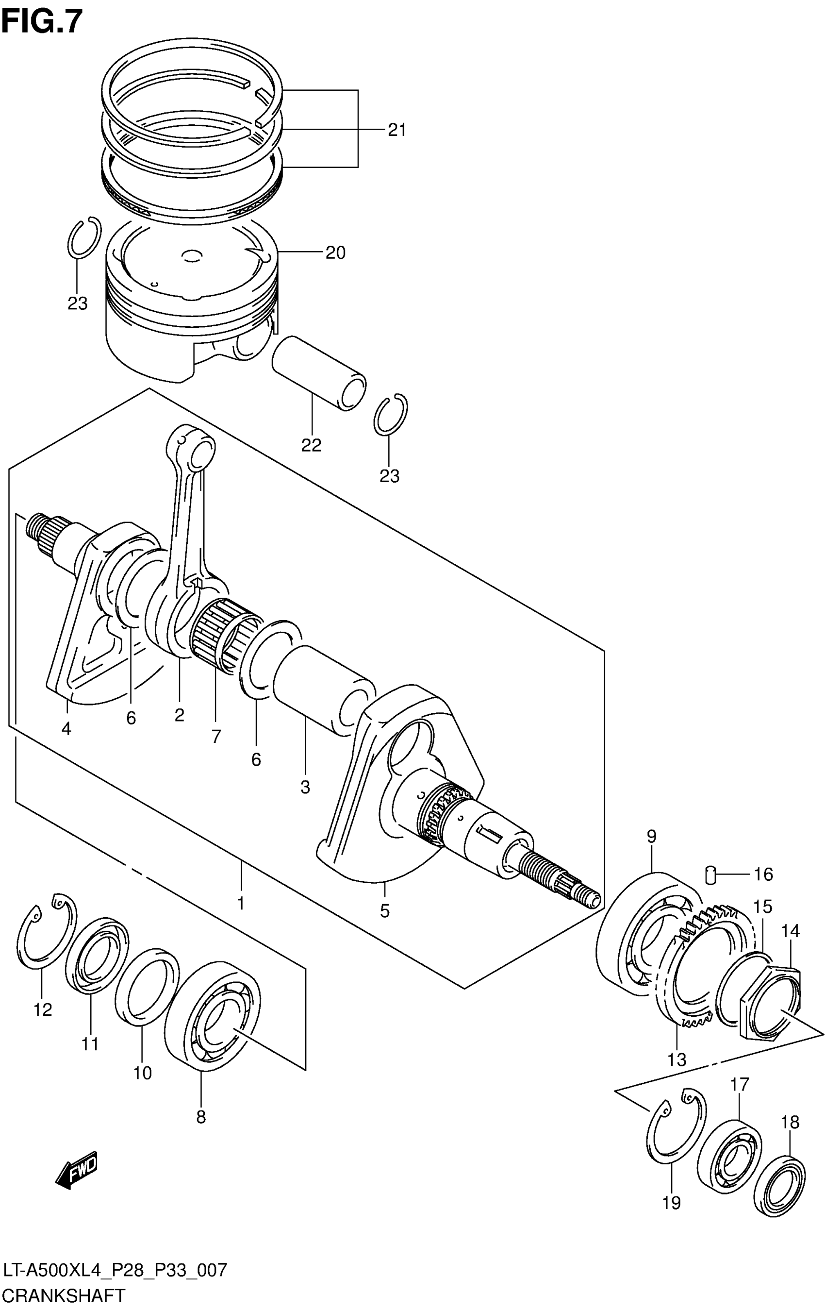
CRANKSHAFT
Suzuki LT-A500XL4 (2014) CRANKSHAFT Diagram
#
Description
Price
4
CRANKSHAFT RH
12220-11H00
Unavailable
5
CRANKSHAFT LH
12261-11H00
Unavailable
