- Partiron
- OEM Parts
- Suzuki
- All Terrain Vehicle
- 2004
- LT-A500FB (2004)
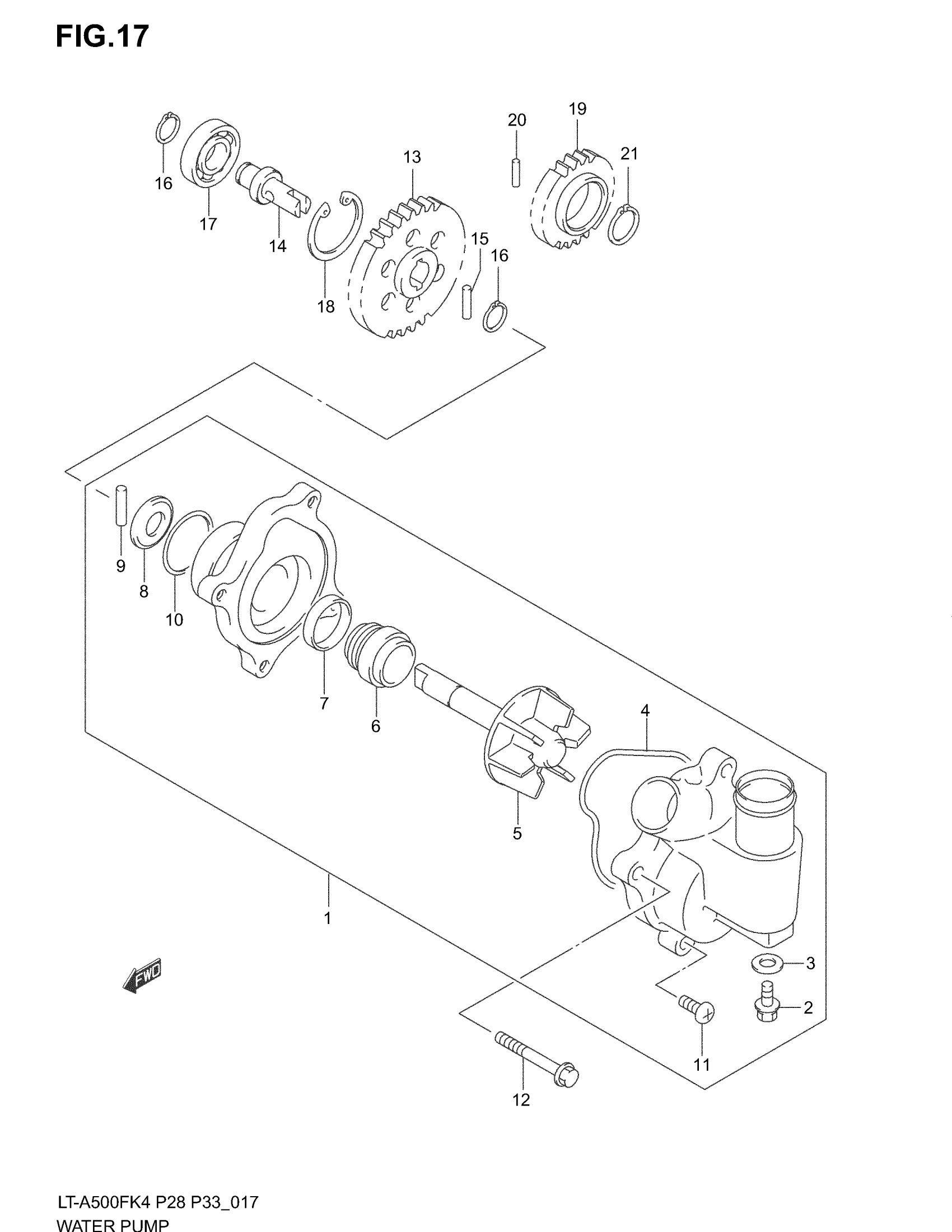
WATER PUMP
Suzuki LT-A500FB (2004) WATER PUMP Diagram
#
Description
Price
8
WASHER
17481-03G00
Unavailable
14
SHAFT, DRIVEN GEAR
17521-09F50
Unavailable
19
GEAR, WATER PUMP DRIVE
16321-44D01
Unavailable
