Suzuki LT-A50 (2005) FRAME Diagram
#
Description
Price
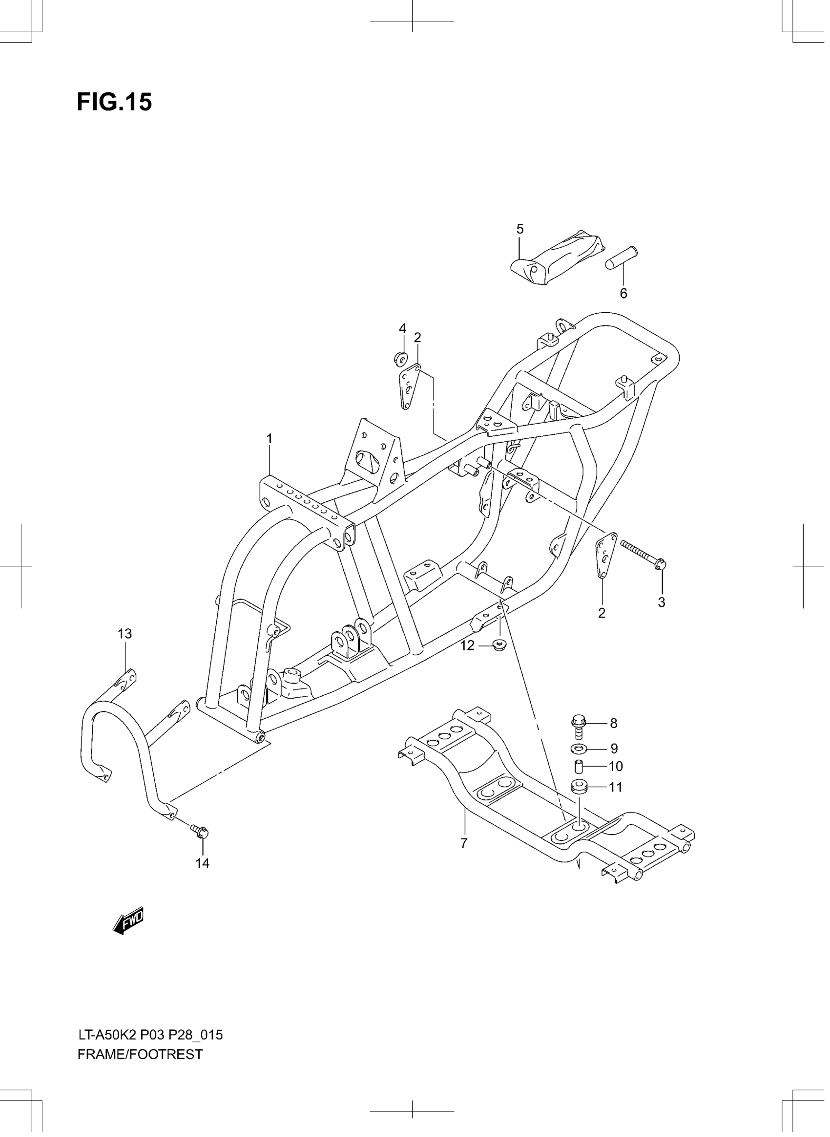
1
FRAME (BLACK)
41100-43F00-019
Unavailable
1
FRAME (BLACK) | MODEL K3/K4/K5 P28
41100-43F10-019
Unavailable
3
BOLT (8X70) This part replaces 01550-08703.
01550-0870B
Unavailable
7
FOOTREST, FRONT
43510-43F00
Unavailable
11
CUSHION, FOOTREST
43519-43F00
Unavailable
13
GRIP, FRONT
43990-43F00
Unavailable
