Partiron

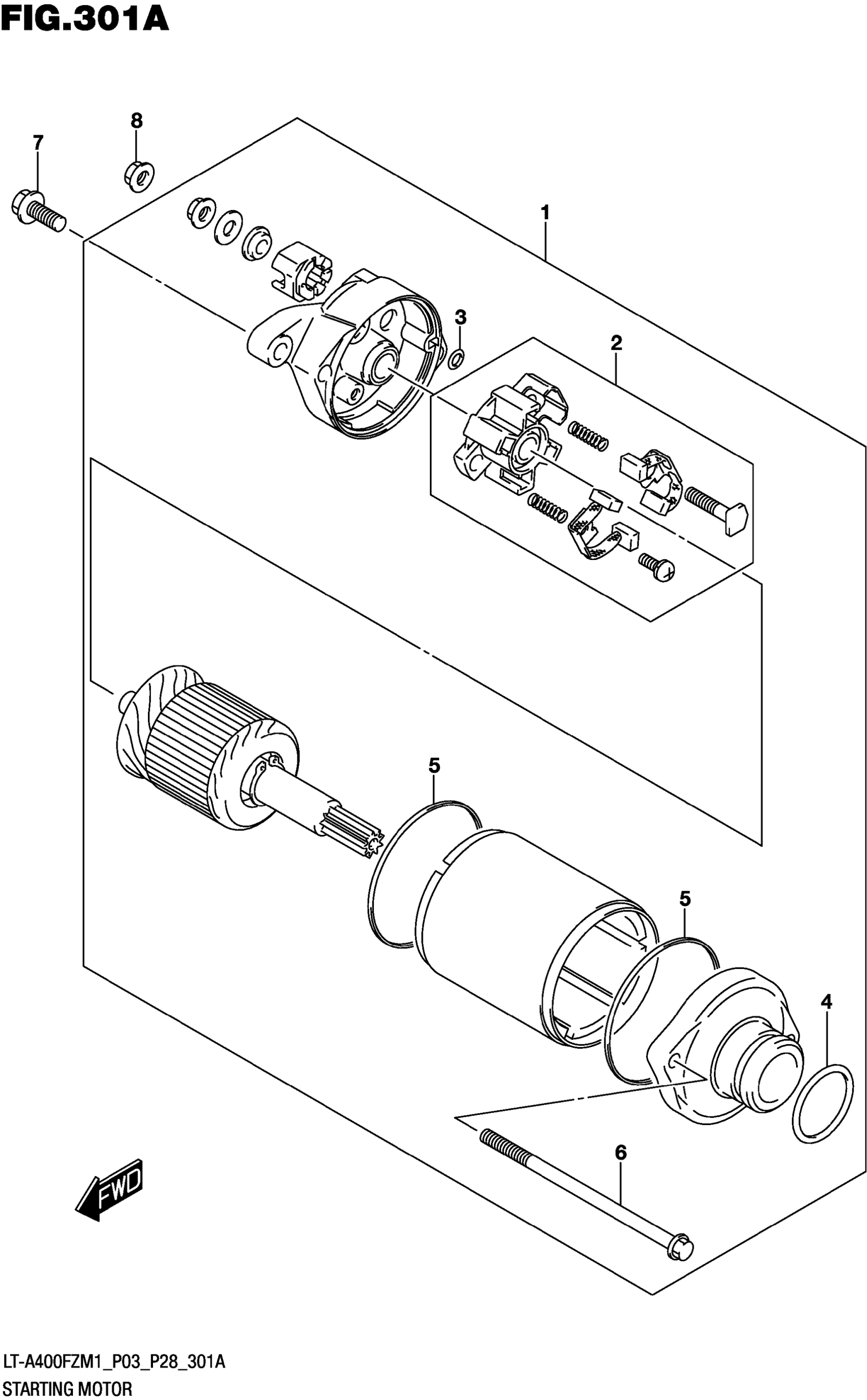
Suzuki LT-A400FZM1 (2021) STARTING MOTOR Diagram

#

Description
Price

1

MOTOR ASSY, STARTING

31100-38F20

$395.99

2

.BRUSH HOLDER SET

31132-38F10

$56.75

3

.O-RING

31143-49040

$3.71

4

.O-RING (D:3.1,ID:24.4)

31156-98E00

$3.89

5

.SQUARE RING

31264-38F10

$8.42

6

.BOLT

31280-38F10

Unavailable

7

BOLT

01547-0625A

$2.01

8

NUT

08361-3506A

$1.80